
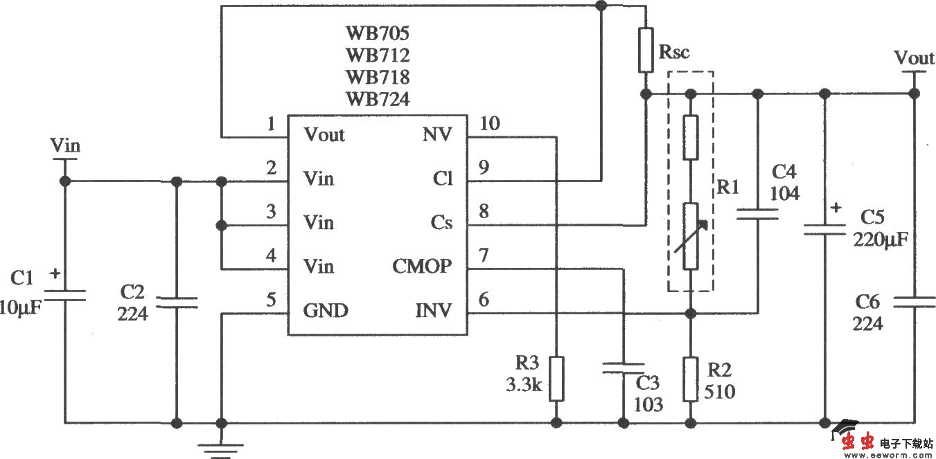
如图所示是用WB718多端可调正集成稳压器 组成的输出电压为l5 V、输出电流为2 A的减流型保护电路的应用电路。图示电路的输入电压可选择30~32 V,滤波电容和防振电容等均与限流型应用时相同。取样电阻Rl和R2的选取由下式决定:
。电位器Rl取560Ω,上串电阻取l.2kΩ。限流电阻
,式中:Is为负载短路后的电流值,一般Is取1/3ILmax;Vbe、ILmax等均与限流型应用时相同。R3的计算符合下式:
。式中:Rl0是稳压器内部保护管的基极电阻,其值一般为200~250Ω,故上式的计算结果
为近似值;其余各项均与限流型应用时相同。