反向电压和浪涌过电压保护电路(XTR106)

📅 发布时间:2013-10-06 07:00 👁️ 浏览:0 🏷️ 标签: XTR 106 反向电压 保护电路

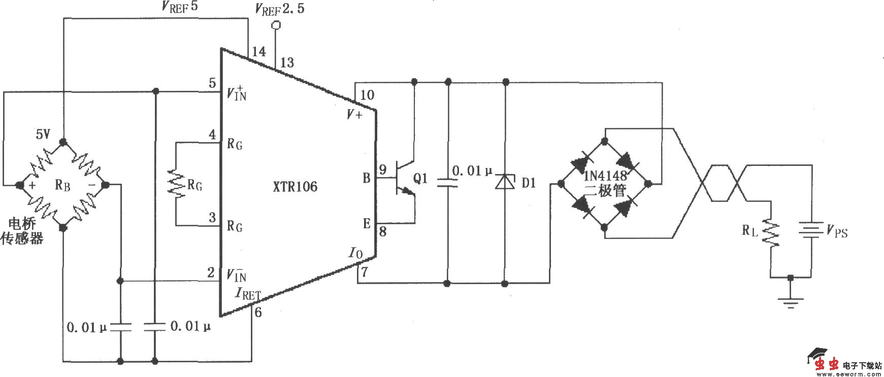
反向电压和浪涌过电压保护电路(XTR106)

如图所示,该电路利用齐纳稳压二极管D1限制浪涌电压,利用4只二极管组成整流桥路以防止反向电压。齐纳二极管D1为36V,可选1N4753A或P6KE39A。当环路电压低于30V时,为增加保护,可选更低电压的D1管。

觉得这篇文章有帮助吗?