TWH9205的过热自动保护控制电路

📅 发布时间:2013-10-03 07:20 👁️ 浏览:3 🏷️ 标签: 9205 TWH 自动保护 控制电路

TWH9205的过热自动保护控制电路

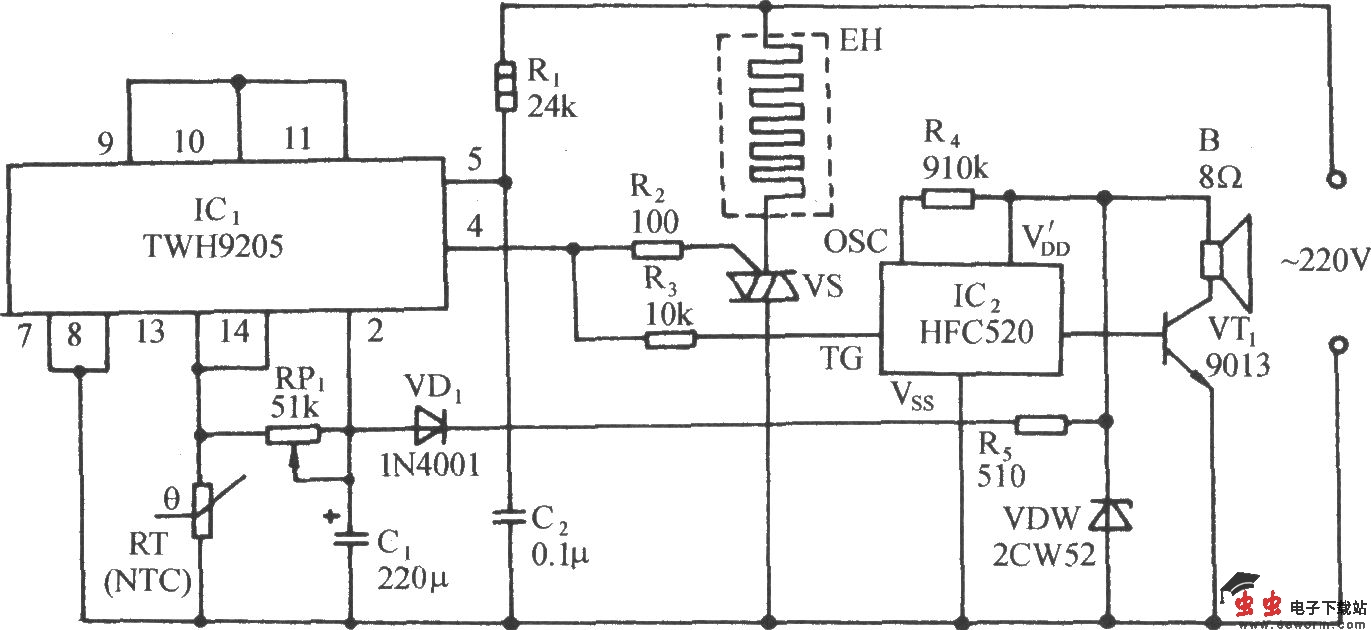
如图所示电路,TWH9205是一种过零型多功能开关集成电路,它能严格地与交流电源进行同步过零控制,实现无火花、无噪声控制,被广泛用于对各种交流电设备的开关控制。下图为其电路功能框图。

TWH9205的过热自动保护控制电路

觉得这篇文章有帮助吗?