
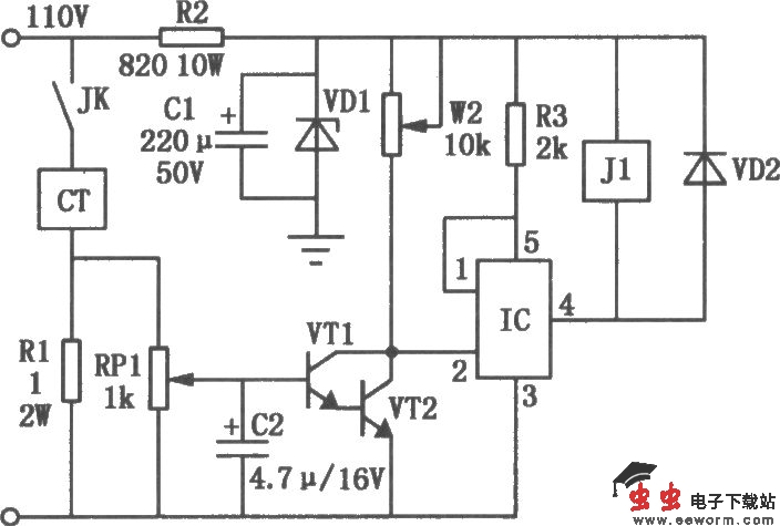
电路如图所示, 24V电源是由电磁吸盘110V电源降压取得。当电磁吸盘电路动合触点JK闭合后,电磁吸盘CT通电工作,其额定电流约为l.4A(强力磁盘电流会更大些)。此时串联在电磁吸盘电路中的取样电阻Rl上将有1.4V的电压降,再经过取样电位器RPl取样后加在晶体管VTl的输入回路,由VTl、VT2进行复合放大。VTl、VT2复合后的放大倍数很高,VT2集电极电位变化接近于阶跃信号,使功率开关集成电路IC能迅速导通或截止。正常时来自取样电路的信号电压经放大后,使VTl、VT2的集电极电位接近0V,IC的②脚处在低电位,④脚导通,继电器J1得电。其动合触点闭合,使机床给进工作。当电磁吸盘电流小于额定电流90%时(此值可调整),IC的④脚截止,J1断电,机床给进电路同时断电,给进系统停止工作,从而避免了事故的发生。
本电路IC选用TWH8751型,VTl选用9013型,VT2选用3DGl2型,VDl选用24V、1W,VD2选用lN4148型,继电器J1选用JTX-24型。