由INA155/156构成的输入电流保护电路

📅 发布时间:2013-10-05 20:25 👁️ 浏览:0 🏷️ 标签: INA 155 156 输入电流

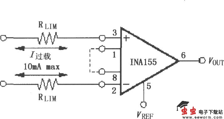
由INA155/156构成的输入电流保护电路

如图所示为由INA155/156构成的输入电流保护电路。INA155输入端内部具有静电放电(ESD)保护二极管,当输入电压超过电源电压500mV时,保护二极管将导通,这时RLIM将限制输入电流(最大10mA),起到保护电路作用。许多输入信号本身就有限流功能,这时限流电阻RLIM可以不用。

觉得这篇文章有帮助吗?