⭐ 欢迎来到虫虫下载站! | 📦 资源下载 📁 资源专辑 ℹ️ 关于我们
⭐ 虫虫下载站
🔐 登录 📝 注册
虫虫下载站
虫虫下载站
专业电子工程师资源平台
📤 上传资源
  • 🏠 首页
  • 📦 资源下载
  • 📁 资源专辑
  • 🔧 热门软件
  • ⭐ 精品资源
  • 🎓 基础知识
  • 📐 电路图
  • 📚 电子书
  • 🔢 在线计算器
  • 🔍 代码搜索
🏠 首页 › 📐 电路图 › 驱动电路

📐 驱动电路

📊 共 292 个电路图 🎨 设计参考
标准和白光LED的基础知识与驱动(一)电路图

标准和白光LED的基础知识与驱动(一)

📅 01-01 查看 →
24个LED驱动电路图电路图

24个LED驱动电路图

📅 01-01 查看 →
微型直流电动机驱动试验分析电路图

微型直流电动机驱动试验分析

📅 01-01 查看 →
高效的白光LED驱动电路电路图

高效的白光LED驱动电路

📅 01-01 查看 →
标准和白光LED的基础知识与驱动(一)电路图

标准和白光LED的基础知识与驱动(一)

📅 01-01 查看 →
由MAX4104/4105/4304/4305构成的视频电缆驱动放大电路电路图

由MAX4104/4105/4304/4305构成的视频电缆驱动放大电路

📅 01-01 查看 →
LED-74HC164驱动的LED显示电路设计电路图

LED-74HC164驱动的LED显示电路设计

📅 01-01 查看 →
4位直接驱动液晶显示电路电路图

4位直接驱动液晶显示电路

📅 01-01 查看 →
液晶显示用的CMos驱动电路电路图

液晶显示用的CMos驱动电路

📅 01-01 查看 →
高效的白光LED驱动电路电路图

高效的白光LED驱动电路

📅 01-01 查看 →
简易LED驱动器电路图电路图

简易LED驱动器电路图

📅 01-01 查看 →
双向调速直流电机驱动电路电路图

双向调速直流电机驱动电路

📅 01-01 查看 →
可控硅驱动放大电路电路图

可控硅驱动放大电路

📅 01-01 查看 →
LM6361构成的用于容性负载的宽带驱动器电路图

LM6361构成的用于容性负载的宽带驱动器

📅 01-01 查看 →
由MAX4450/4451构成的驱动电容性负载电路电路图

由MAX4450/4451构成的驱动电容性负载电路

📅 01-01 查看 →
由MAX4450/4451构成的单位增益线驱动电路电路图

由MAX4450/4451构成的单位增益线驱动电路

📅 01-01 查看 →
由MAX4100/4101构成的驱动电容性负载电路电路图

由MAX4100/4101构成的驱动电容性负载电路

📅 01-01 查看 →
由MAX4223~MAX4228构成的驱动电容性负载电路电路图

由MAX4223~MAX4228构成的驱动电容性负载电路

📅 01-01 查看 →
MAX4188/4189/4190采用隔离电阻Rs构成的驱动电容性负载电路电路图

MAX4188/4189/4190采用隔离电阻Rs构成的驱动电容性负载电路

📅 01-01 查看 →
由两个宽带跨导型运算放大和缓冲器OPA660构成的高速电流驱动器电路图

由两个宽带跨导型运算放大和缓冲器OPA660构成的高速电流驱动器

📅 01-01 查看 →
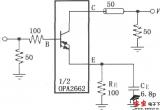
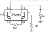
由OPA2662构成的1600×1200高分辨率图形监控器CRT输出级驱动电路电路图

由OPA2662构成的1600×1200高分辨率图形监控器CRT输出级驱动电路

📅 01-01 查看 →
由两个OPA660(宽带跨导型运算放大和缓冲器)构成的高速电流驱动器电路图

由两个OPA660(宽带跨导型运算放大和缓冲器)构成的高速电流驱动器

📅 01-01 查看 →
由OPA2662构成的数字440MBit/s发送系统的驱动放大电路电路图

由OPA2662构成的数字440MBit/s发送系统的驱动放大电路

📅 01-01 查看 →
由OPA2662构成的单端输入、双端输出差分线驱动器电路电路图

由OPA2662构成的单端输入、双端输出差分线驱动器电路

📅 01-01 查看 →
XTR110扩大驱动电流电路电路图

XTR110扩大驱动电流电路

📅 01-01 查看 →
桥式马达驱动电路电路图

桥式马达驱动电路

📅 01-01 查看 →
桥式驱动电路电路图

桥式驱动电路

📅 01-01 查看 →
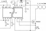
由ISO113构成的0~20mA隔离电流环驱动电路电路图

由ISO113构成的0~20mA隔离电流环驱动电路

📅 01-01 查看 →
由INA331/332构成的直接驱动电容性输入的A/D变换器电路图

由INA331/332构成的直接驱动电容性输入的A/D变换器

📅 01-01 查看 →
INA111构成的屏蔽驱动电路电路图

INA111构成的屏蔽驱动电路

📅 01-01 查看 →
  • 1
  • 2
  • 3
  • 4
  • 5
  • 6
  • 7
  • 8
  • 9
  • 10
  • 下一页 »
  • 末页
🔐 用户登录
加载中...

加载登录表单中...

🎁 免费注册送10积分
加载中...

加载注册表单中...

🔑 找回密码
加载中...

加载表单中...

🔐 需要登录
🔒

登录后即可使用!

🎁 新用户注册立即送10积分
积分可用于下载资源,免费获取优质技术资料
🚪 退出登录
👋

确认要退出登录吗?

退出后需要重新登录才能下载资源

关于虫虫

虫虫下载站是专业的电子工程师资源分享平台,汇聚 622,478+ 优质资源,为工程师提供免费、专业的技术资料。

🌐

快速链接

  • 📦 资源下载
  • 📁 资源专辑
  • 📐 电路图库
  • 📚 电子书籍
  • 🧮 在线计算器

帮助中心

  • 📋 服务条款
  • ℹ️ 关于我们
  • ⚠️ 免责声明
  • 🗺️ 网站地图

联系我们

扫码关注我们

虫虫下载站二维码

虫虫小帮手

© 2011-2025 虫虫下载站 - 专业的电子工程师资源分享平台 | 让技术资源触手可及

京ICP备2021023401号-1