由两个宽带跨导型运算放大和缓冲器OPA660构成的高速电流驱动器

📅 发布时间:2013-10-06 22:05 👁️ 浏览:1 🏷️ 标签: OPA 660 宽带 运算放大

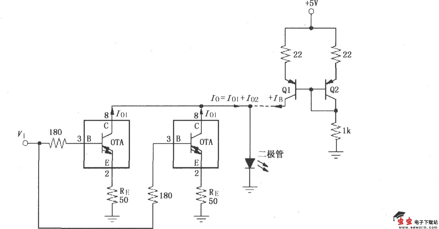
由两个宽带跨导型运算放大和缓冲器OPA660构成的高速电流驱动器

如图所示为由两个OPA660构成的高速电流驱动器。利用两个OPA660并联以增大输出电流,三极管Q1、Q2组成镜像恒流源电路,作为两个并联OPA660的集电极负载。Q1、Q2选用2N3906。

觉得这篇文章有帮助吗?