由MAX4450/4451构成的单位增益线驱动电路

📅 发布时间:2013-10-07 02:30 👁️ 浏览:0 🏷️ 标签: 4450 4451 MAX 单位增益

由MAX4450/4451构成的单位增益线驱动电路

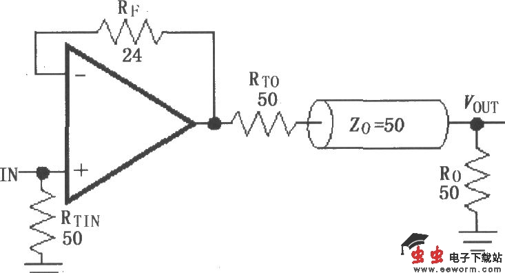
如图所示为由MAX4450/4451构成的单位增益线驱动电路。MAX4450/4451内部具有补偿,在反馈回路中串联一个24Ω电阻,可以降低反馈回路形成的电容与电感并联Q值,以改进电路的交流特性。输出端采用同轴电缆传输线放大信号,为了使传输过程反射最小,负载上获得最大功率,选择终端阻抗(50Ω)、放大器输出阻抗及传输线特性阻抗三者相等,即阻抗匹配。

觉得这篇文章有帮助吗?