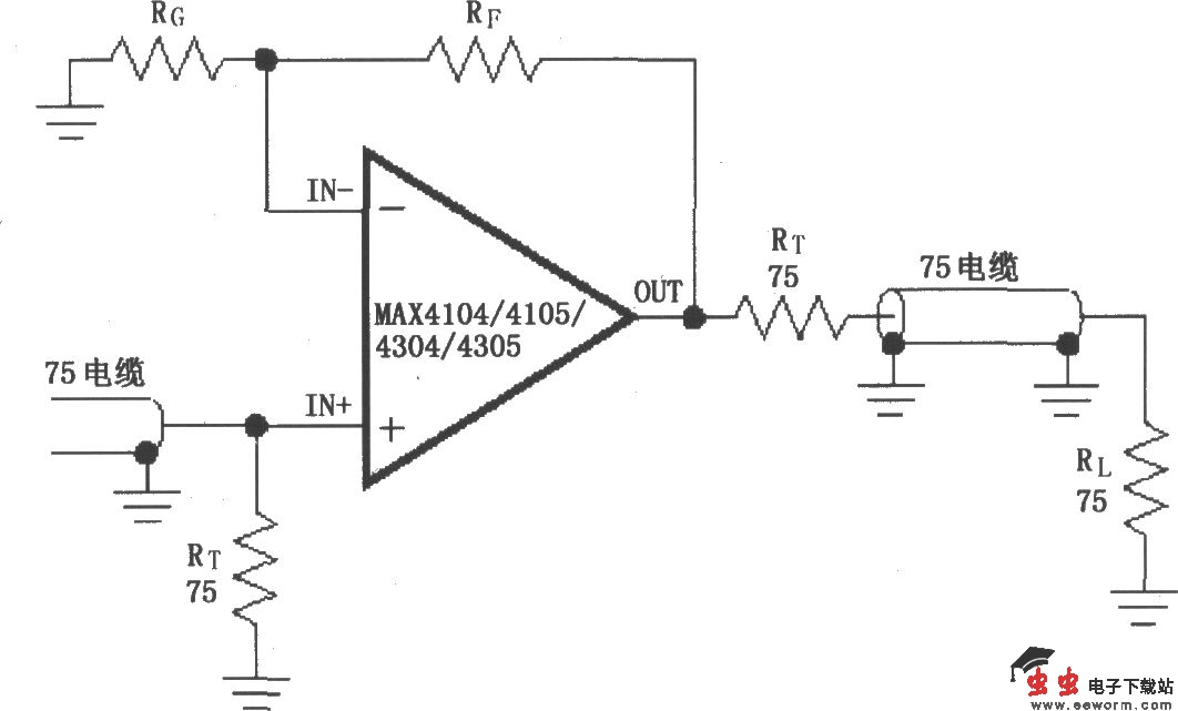
如图所示为由MAX4104/4105/4304/4305构成的视频电缆驱动放大电路。MAX4104/4105/4304/4305适用于作为同轴电缆传输线放大视频信号,为了使传输过程反射最小,负载上获得最大功率,选择放大器输出阻抗与终端阻抗等于传输线特性阻抗(75Ω)。该电路中,MAX4104/4105/4304/4305起中间放大作用,将电缆输入的视频信号放大后输出,由电缆线继续传输。
如图所示为由MAX4104/4105/4304/4305构成的视频电缆驱动放大电路。MAX4104/4105/4304/4305适用于作为同轴电缆传输线放大视频信号,为了使传输过程反射最小,负载上获得最大功率,选择放大器输出阻抗与终端阻抗等于传输线特性阻抗(75Ω)。该电路中,MAX4104/4105/4304/4305起中间放大作用,将电缆输入的视频信号放大后输出,由电缆线继续传输。