⭐ 欢迎来到虫虫下载站! | 📦 资源下载 📁 资源专辑 ℹ️ 关于我们
⭐ 虫虫下载站
🔐 登录 📝 注册
虫虫下载站
虫虫下载站
专业电子工程师资源平台
📤 上传资源
  • 🏠 首页
  • 📦 资源下载
  • 📁 资源专辑
  • 🔧 热门软件
  • ⭐ 精品资源
  • 🎓 基础知识
  • 📐 电路图
  • 📚 电子书
  • 🔢 在线计算器
  • 🔍 代码搜索
🏠 首页 › 📐 电路图 › 驱动电路

📐 驱动电路

📊 共 292 个电路图 🎨 设计参考
1024位CCD驱动电路电路图

1024位CCD驱动电路

📅 01-01 查看 →
液晶显示用的CMos驱动电电路图

液晶显示用的CMos驱动电

📅 01-01 查看 →
晶闸管驱动电路电路图

晶闸管驱动电路

📅 01-01 查看 →
TC-3330单片集成光电开关电路图

TC-3330单片集成光电开关

📅 01-01 查看 →
20条发光线段的光柱显示电路图

20条发光线段的光柱显示

📅 01-01 查看 →
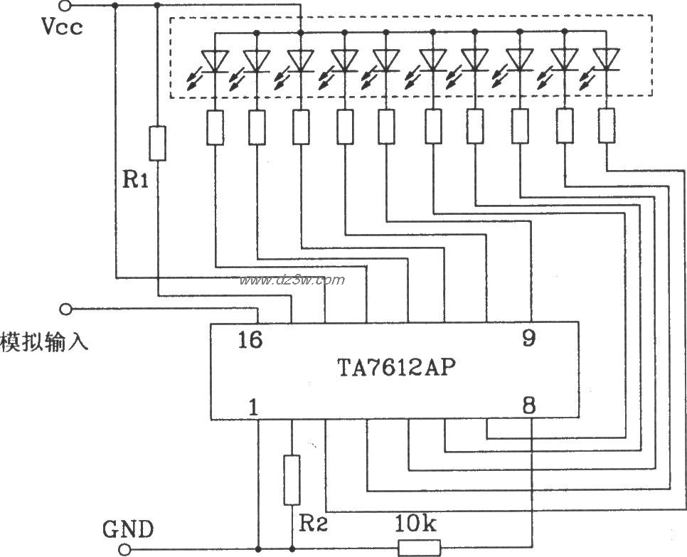
TA7612AP构成一条10点共电路图

TA7612AP构成一条10点共

📅 01-01 查看 →
HA7666P/TA7667P构成两电路图

HA7666P/TA7667P构成两

📅 01-01 查看 →
用于驱动发光二极管的驱电路图

用于驱动发光二极管的驱

📅 01-01 查看 →
可视激光数控调制驱动器电路图

可视激光数控调制驱动器

📅 01-01 查看 →
霓红灯驱动电路电路图

霓红灯驱动电路

📅 01-01 查看 →
反极性驱动电路电路图

反极性驱动电路

📅 01-01 查看 →
8位发光二极管驱动电路电路图

8位发光二极管驱动电路

📅 01-01 查看 →
飞利浦MKH612机芯VCD机加电路图

飞利浦MKH612机芯VCD机加

📅 01-01 查看 →
飞利浦MKH612机芯VCD机伺电路图

飞利浦MKH612机芯VCD机伺

📅 01-01 查看 →
用IR2117斩波器的MOSFET电路图

用IR2117斩波器的MOSFET

📅 01-01 查看 →
用IRFP250功率管的H桥式电路图

用IRFP250功率管的H桥式

📅 01-01 查看 →
电动车无刷电机控制器驱电路图

电动车无刷电机控制器驱

📅 01-01 查看 →
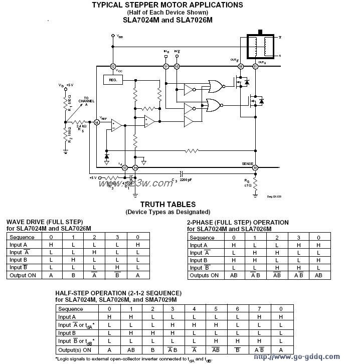
用SLA7024M和SLA7026组成电路图

用SLA7024M和SLA7026组成

📅 01-01 查看 →
SMA7029构成的步进电机驱电路图

SMA7029构成的步进电机驱

📅 01-01 查看 →
用OPA502的桥式驱动电路电路图

用OPA502的桥式驱动电路

📅 01-01 查看 →
用LMA3578A做RS232线路电电路图

用LMA3578A做RS232线路电

📅 01-01 查看 →
N沟道VMOSFET驱动电路电路图

N沟道VMOSFET驱动电路

📅 01-01 查看 →
两相/四相(L297+L298)步电路图

两相/四相(L297+L298)步

📅 01-01 查看 →

三极管驱动直流电机电路

📅 01-01 查看 →
边沿延时驱动电路电路图

边沿延时驱动电路

📅 01-01 查看 →
应用在电动车上无刷控制电路图

应用在电动车上无刷控制

📅 01-01 查看 →
用PMM8713的步进电机驱动电路图

用PMM8713的步进电机驱动

📅 01-01 查看 →
二相步进电机驱动器电路电路图

二相步进电机驱动器电路

📅 01-01 查看 →
用ULN2803的步进电机驱动电路图

用ULN2803的步进电机驱动

📅 01-01 查看 →
用ULN2803的LED发光二极电路图

用ULN2803的LED发光二极

📅 01-01 查看 →
  • 首页
  • « 上一页
  • 1
  • 2
  • 3
  • 4
  • 5
  • 6
  • 7
  • 8
  • 9
  • 10
  • 下一页 »
  • 末页
🔐 用户登录
加载中...

加载登录表单中...

🎁 免费注册送10积分
加载中...

加载注册表单中...

🔑 找回密码
加载中...

加载表单中...

🔐 需要登录
🔒

登录后即可使用!

🎁 新用户注册立即送10积分
积分可用于下载资源,免费获取优质技术资料
🚪 退出登录
👋

确认要退出登录吗?

退出后需要重新登录才能下载资源

关于虫虫

虫虫下载站是专业的电子工程师资源分享平台,汇聚 622,478+ 优质资源,为工程师提供免费、专业的技术资料。

🌐

快速链接

  • 📦 资源下载
  • 📁 资源专辑
  • 📐 电路图库
  • 📚 电子书籍
  • 🧮 在线计算器

帮助中心

  • 📋 服务条款
  • ℹ️ 关于我们
  • ⚠️ 免责声明
  • 🗺️ 网站地图

联系我们

扫码关注我们

虫虫下载站二维码

虫虫小帮手

© 2011-2025 虫虫下载站 - 专业的电子工程师资源分享平台 | 让技术资源触手可及

京ICP备2021023401号-1