由OPA2662构成的单端输入、双端输出差分线驱动器电路

📅 发布时间:2013-10-06 20:30 👁️ 浏览:1 🏷️ 标签: 2662 OPA 单端 输入

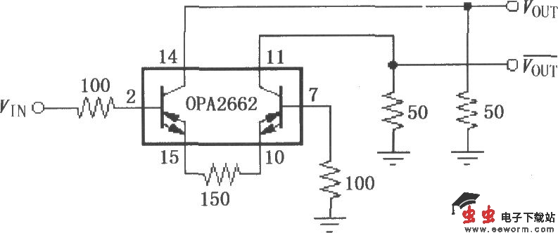
由OPA2662构成的单端输入、双端输出差分线驱动器电路

如图所示为OPA2662构成的单端输入、双端输出差分线驱动器电路。利用双运放OPA2662中内含两个同样的放大器构成图中电路,将OTA2输入7脚通过100电阻接地,OTA1输入端2脚作为输入端,单端输入信号VIN,放大后由14脚与11脚构成双端输出VOUT和VOUT非。

觉得这篇文章有帮助吗?