⭐ 欢迎来到虫虫下载站! | 📦 资源下载 📁 资源专辑 ℹ️ 关于我们
⭐ 虫虫下载站
🔐 登录 📝 注册
虫虫下载站
虫虫下载站
专业电子工程师资源平台
📤 上传资源
  • 🏠 首页
  • 📦 资源下载
  • 📁 资源专辑
  • 🔧 热门软件
  • ⭐ 精品资源
  • 🎓 基础知识
  • 📐 电路图
  • 📚 电子书
  • 🔢 在线计算器
  • 🔍 代码搜索
🏠 首页 › 📐 电路图 › 功放电路

📐 功放电路

📊 共 1879 个电路图 🎨 设计参考
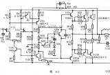
自制18W胆场甲类功放电路电路图

自制18W胆场甲类功放电路

📅 01-01 查看 →
制作靓声甲类功放电路图

制作靓声甲类功放

📅 01-01 查看 →
制作动态偏压80W甲类功放电路图

制作动态偏压80W甲类功放

📅 01-01 查看 →
相同极性场效应管功放电路制作电路图

相同极性场效应管功放电路制作

📅 01-01 查看 →
高保真45W分离元件功放制作电路图

高保真45W分离元件功放制作

📅 01-01 查看 →
单端甲类功放电路图

单端甲类功放

📅 01-01 查看 →

常用晶体管场效应管资料大全

📅 01-01 查看 →

SM-70晶体管功放的音质

📅 01-01 查看 →
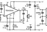
用TDA1514制作的简单功放电路图

用TDA1514制作的简单功放

📅 01-01 查看 →
LM4766并联输出功放电路图电路图

LM4766并联输出功放电路图

📅 01-01 查看 →
用NE5532制作优质前放电路图

用NE5532制作优质前放

📅 01-01 查看 →
运放NE5532驱动准甲类30W功放电路制作电路图

运放NE5532驱动准甲类30W功放电路制作

📅 01-01 查看 →
用LM4766制作电子两分频功放及音箱电路图

用LM4766制作电子两分频功放及音箱

📅 01-01 查看 →
高增益运放加晶体管输出电路电路图

高增益运放加晶体管输出电路

📅 01-01 查看 →

改善晶体管功放音质

📅 01-01 查看 →

电子管和晶体管功放分类及工作方式

📅 01-01 查看 →
场效应晶体管的运放器电路图电路图

场效应晶体管的运放器电路图

📅 01-01 查看 →

晶体管工作原理名词

📅 01-01 查看 →
制作20W单端纯甲类功放电路电路图

制作20W单端纯甲类功放电路

📅 01-01 查看 →
运放NE5532制作开环式功放电路图

运放NE5532制作开环式功放

📅 01-01 查看 →
晶体管低频放大器电路图

晶体管低频放大器

📅 01-01 查看 →
晶体管射随电路电路图

晶体管射随电路

📅 01-01 查看 →
晶体管驱动的电子管放大器电路图

晶体管驱动的电子管放大器

📅 01-01 查看 →

晶体管配对的准确度

📅 01-01 查看 →

晶体管扩音机屡烧功放管故障检修

📅 01-01 查看 →

晶体管功放阻尼因数大小及测量

📅 01-01 查看 →

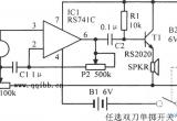
晶体管功放自制

📅 01-01 查看 →

单边带发信机晶体管功放电路

📅 01-01 查看 →

晶体管功放机器的优缺点

📅 01-01 查看 →
制作LM1875直流负反馈BTL功放电路电路图

制作LM1875直流负反馈BTL功放电路

📅 01-01 查看 →
  • 首页
  • « 上一页
  • 1
  • 2
  • 3
  • 4
  • 5
  • 6
  • 7
  • 8
  • 9
  • 10
  • 下一页 »
  • 末页
🔐 用户登录
加载中...

加载登录表单中...

🎁 免费注册送10积分
加载中...

加载注册表单中...

🔑 找回密码
加载中...

加载表单中...

🔐 需要登录
🔒

登录后即可使用!

🎁 新用户注册立即送10积分
积分可用于下载资源,免费获取优质技术资料
🚪 退出登录
👋

确认要退出登录吗?

退出后需要重新登录才能下载资源

关于虫虫

虫虫下载站是专业的电子工程师资源分享平台,汇聚 622,478+ 优质资源,为工程师提供免费、专业的技术资料。

🌐

快速链接

  • 📦 资源下载
  • 📁 资源专辑
  • 📐 电路图库
  • 📚 电子书籍
  • 🧮 在线计算器

帮助中心

  • 📋 服务条款
  • ℹ️ 关于我们
  • ⚠️ 免责声明
  • 🗺️ 网站地图

联系我们

扫码关注我们

虫虫下载站二维码

虫虫小帮手

© 2011-2025 虫虫下载站 - 专业的电子工程师资源分享平台 | 让技术资源触手可及

京ICP备2021023401号-1