LM4766并联输出功放电路图

📅 发布时间:2013-09-05 21:30 👁️ 浏览:0 🏷️ 标签: 4766 LM 并联 功放电路图

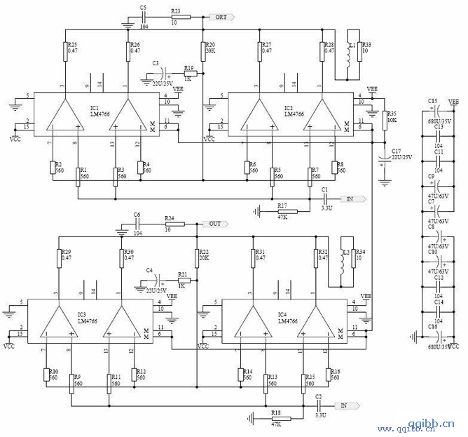
本电路由两片LM4766并联输出,功率和效果都比较令人满意,线路图如下:

以下是电源部分:

觉得这篇文章有帮助吗?