TS28电路原理图

📅 发布时间:2013-09-28 10:00 👁️ 浏览:1 🏷️ 标签: TS 28 电路原理图

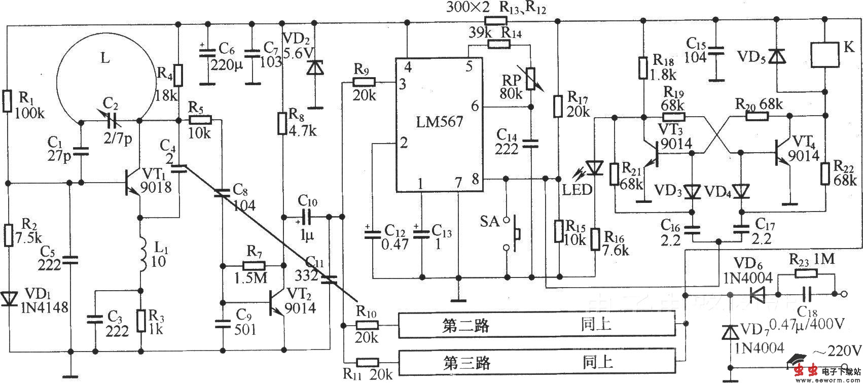
遥控电源插座的工作电源采用阻容降压半波整流,接收部分使用稳压管稳压.接收机电路采用电路简单的超再生式接收电路.

觉得这篇文章有帮助吗?