⭐ 欢迎来到虫虫下载站! | 📦 资源下载 📁 资源专辑 ℹ️ 关于我们
⭐ 虫虫下载站
🔐 登录 📝 注册
虫虫下载站
虫虫下载站
专业电子工程师资源平台
📤 上传资源
  • 🏠 首页
  • 📦 资源下载
  • 📁 资源专辑
  • 🔧 热门软件
  • ⭐ 精品资源
  • 🎓 基础知识
  • 📐 电路图
  • 📚 电子书
  • 🔢 在线计算器
  • 🔍 代码搜索
🏠 首页 › 📐 电路图 › 家用电器

📐 家用电器

📊 共 448 个电路图 🎨 设计参考
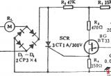
宝花牌KFR-35L分体式空调器电路电路图

宝花牌KFR-35L分体式空调器电路

📅 01-01 查看 →
美的牌MB—YC50A型豪华电饭煲电路图

美的牌MB—YC50A型豪华电饭煲

📅 01-01 查看 →
华丽牌KCD-23型窗式空调器电路图

华丽牌KCD-23型窗式空调器

📅 01-01 查看 →
华丽牌KFD-112LW、KFD-130LM分体柜式空调器电路电路图

华丽牌KFD-112LW、KFD-130LM分体柜式空调器电路

📅 01-01 查看 →
万宝CFXB50-2P电子保温式电饭锅电路电路图

万宝CFXB50-2P电子保温式电饭锅电路

📅 01-01 查看 →
容声CFXB50-90DA型多用电饭锅电路电路图

容声CFXB50-90DA型多用电饭锅电路

📅 01-01 查看 →
定时式自动电饭锅电路电路图

定时式自动电饭锅电路

📅 01-01 查看 →
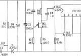
CIC2851AE构成的电饭煲饭熟报知器电路图

CIC2851AE构成的电饭煲饭熟报知器

📅 01-01 查看 →
东方牌电饭锅煲粥器电路电路图

东方牌电饭锅煲粥器电路

📅 01-01 查看 →
爱华CFXB型双指示灯保温式自动电饭锅电路电路图

爱华CFXB型双指示灯保温式自动电饭锅电路

📅 01-01 查看 →
新美牌VL-95Q型电饭锅煲粥器电路电路图

新美牌VL-95Q型电饭锅煲粥器电路

📅 01-01 查看 →
德生ll9700型调频、电视伴音、中波、短波高灵敏度l2波段立体声收电路图

德生ll9700型调频、电视伴音、中波、短波高灵敏度l2波段立体声收

📅 01-01 查看 →
德生Rl212A型12波段调频、中波、短波、电视伴音立体声收音机电路电路图

德生Rl212A型12波段调频、中波、短波、电视伴音立体声收音机电路

📅 01-01 查看 →
电风扇程控电路(2732A)电路图

电风扇程控电路(2732A)

📅 01-01 查看 →
电风扇模拟自然风电路电路图

电风扇模拟自然风电路

📅 01-01 查看 →
电风扇音乐控制转速电路电路图

电风扇音乐控制转速电路

📅 01-01 查看 →
电风扇多功能控制器(一)电路图

电风扇多功能控制器(一)

📅 01-01 查看 →
电风扇阵风电路电路图

电风扇阵风电路

📅 01-01 查看 →
电风扇声控器电路图

电风扇声控器

📅 01-01 查看 →

电风扇程控电路(KDF1)

📅 01-01 查看 →
电风扇多功能自动控制器(长城)电路图

电风扇多功能自动控制器(长城)

📅 01-01 查看 →
电风扇控制电路(长城FS7-40)电路图

电风扇控制电路(长城FS7-40)

📅 01-01 查看 →
电风扇电脑控制器电路图

电风扇电脑控制器

📅 01-01 查看 →
电风扇无级调速电路电路图

电风扇无级调速电路

📅 01-01 查看 →
电风扇定时调速电路电路图

电风扇定时调速电路

📅 01-01 查看 →
电风扇电脑程控电路(MP1366)电路图

电风扇电脑程控电路(MP1366)

📅 01-01 查看 →
电风扇自动变换风速控制电路电路图

电风扇自动变换风速控制电路

📅 01-01 查看 →
电风扇电抗器调速器电路图

电风扇电抗器调速器

📅 01-01 查看 →
电风扇间歇运转电路电路图

电风扇间歇运转电路

📅 01-01 查看 →
电风扇睡眠风控电路电路图

电风扇睡眠风控电路

📅 01-01 查看 →
  • 首页
  • « 上一页
  • 1
  • 2
  • 3
  • 4
  • 5
  • 6
  • 7
  • 8
  • 9
  • 10
  • 下一页 »
  • 末页
🔐 用户登录
加载中...

加载登录表单中...

🎁 免费注册送10积分
加载中...

加载注册表单中...

🔑 找回密码
加载中...

加载表单中...

🔐 需要登录
🔒

登录后即可使用!

🎁 新用户注册立即送10积分
积分可用于下载资源,免费获取优质技术资料
🚪 退出登录
👋

确认要退出登录吗?

退出后需要重新登录才能下载资源

关于虫虫

虫虫下载站是专业的电子工程师资源分享平台,汇聚 622,478+ 优质资源,为工程师提供免费、专业的技术资料。

🌐

快速链接

  • 📦 资源下载
  • 📁 资源专辑
  • 📐 电路图库
  • 📚 电子书籍
  • 🧮 在线计算器

帮助中心

  • 📋 服务条款
  • ℹ️ 关于我们
  • ⚠️ 免责声明
  • 🗺️ 网站地图

联系我们

扫码关注我们

虫虫下载站二维码

虫虫小帮手

© 2011-2025 虫虫下载站 - 专业的电子工程师资源分享平台 | 让技术资源触手可及

京ICP备2021023401号-1