德生ll9700型调频、电视伴音、中波、短波高灵敏度l2波段立体声收

📅 发布时间:2013-10-10 13:10 👁️ 浏览:0 🏷️ 标签: 9700 ll 德生 中波

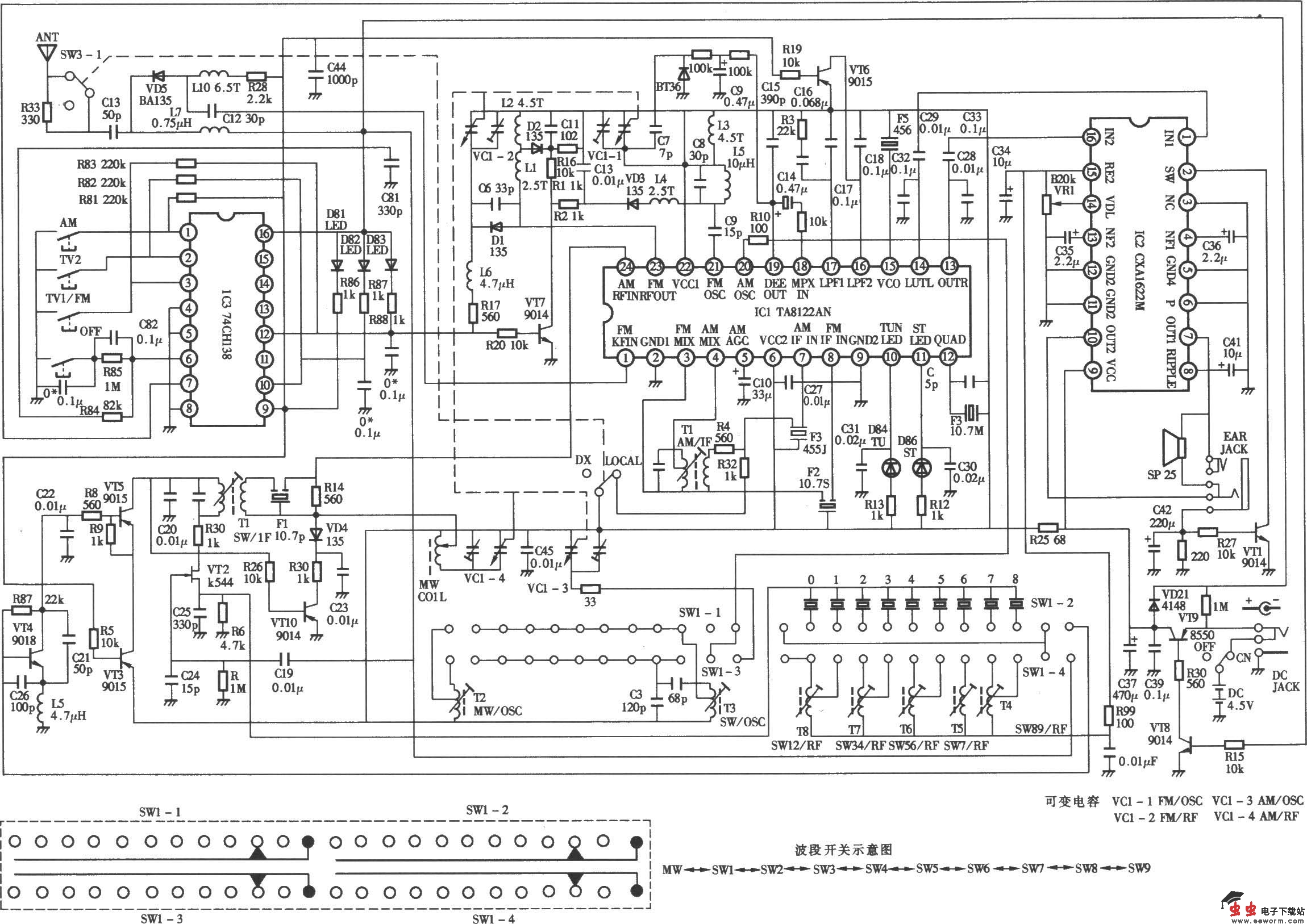
德生ll9700型调频、电视伴音、中波、短波高灵敏度l2波段立体声收音机电路

觉得这篇文章有帮助吗?