CIC2851AE构成的电饭煲饭熟报知器

📅 发布时间:2013-10-10 15:10 👁️ 浏览:4 🏷️ 标签: 2851 CIC AE 电饭煲

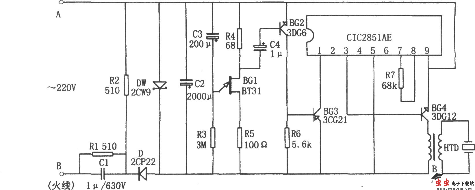
如图所示为电饭煲饭熟报知电路。该电路由10分钟延时电路、3V降压式电源、音乐集成电路CIC2851AE、压电陶瓷片HTD等组成。其中10分钟延时电路由BG1和R3、C3等组成。3V降压式电源由C1、R1、R2、D、DW和C2等组成。电路中的A、B两点并接于电饭煲的控制开关上。

当电饭煲正常工作时,A、B两端电压为0,整个电路不工作。当电饭煲内水煮干时,主控开关跳闸,此时A、B两端获得交流电压,电路开始工作。经降压式电源、延时电路延时10分钟后,音乐集成电路CIC2851AE开始工作,输出的音频信号经BG4放大后,驱动HTD发出声响。从而告知主人饭煮熟了,拔掉电源插座。

觉得这篇文章有帮助吗?