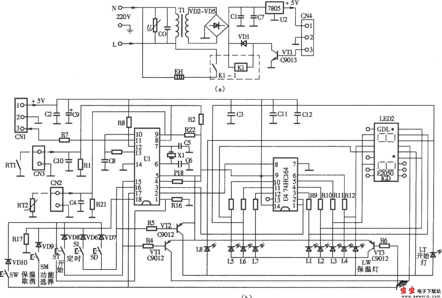
美的牌MB—YC50A型豪华电饭煲

📅 发布时间:2013-10-10 16:10 👁️ 浏览:3 🏷️ 标签: 50A YC 50 美的

美的牌MB—YC50A型豪华电饭煲 (a)电源板电路;(b)电脑控制板电路

觉得这篇文章有帮助吗?