⭐ 欢迎来到虫虫下载站! | 📦 资源下载 📁 资源专辑 ℹ️ 关于我们
⭐ 虫虫下载站
🔐 登录 📝 注册
虫虫下载站
虫虫下载站
专业电子工程师资源平台
📤 上传资源
  • 🏠 首页
  • 📦 资源下载
  • 📁 资源专辑
  • 🔧 热门软件
  • ⭐ 精品资源
  • 🎓 基础知识
  • 📐 电路图
  • 📚 电子书
  • 🔢 在线计算器
  • 🔍 代码搜索
🏠 首页 › 📐 电路图 › 家用电器

📐 家用电器

📊 共 448 个电路图 🎨 设计参考
电视节目监视与定时转换电路电路图

电视节目监视与定时转换电路

📅 01-01 查看 →
电视方格产生器电路电路图

电视方格产生器电路

📅 01-01 查看 →
太阳能热水器水满告知器电路电路图

太阳能热水器水满告知器电路

📅 01-01 查看 →
曝光定时电路图电路图

曝光定时电路图

📅 01-01 查看 →
仪器用风扇调速控制电路电路图

仪器用风扇调速控制电路

📅 01-01 查看 →
数显电子钟电路电路图

数显电子钟电路

📅 01-01 查看 →
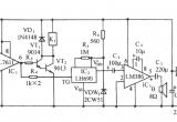
高精度50Hz时基信号源(CD4060)电路图

高精度50Hz时基信号源(CD4060)

📅 01-01 查看 →
贵重家电防盗报警器电路图

贵重家电防盗报警器

📅 01-01 查看 →
彩电简易保护插座电路图

彩电简易保护插座

📅 01-01 查看 →
电饭煲火力控制器电路图

电饭煲火力控制器

📅 01-01 查看 →
电冰箱风冷节电自控器电路图

电冰箱风冷节电自控器

📅 01-01 查看 →
电冰箱温控器代用装置电路图

电冰箱温控器代用装置

📅 01-01 查看 →
电视信号转换放大电路电路图

电视信号转换放大电路

📅 01-01 查看 →
全频道电视天线放大电路电路图

全频道电视天线放大电路

📅 01-01 查看 →
电视机图象叠现频道号和节目号的电路电路图

电视机图象叠现频道号和节目号的电路

📅 01-01 查看 →
袖珍电视信号发生器电路图

袖珍电视信号发生器

📅 01-01 查看 →
简单的电视信号发生器电路图

简单的电视信号发生器

📅 01-01 查看 →
电视收音两用信号发生器电路图

电视收音两用信号发生器

📅 01-01 查看 →
电视收音两用信号发生器电路电路图

电视收音两用信号发生器电路

📅 01-01 查看 →
NTSC制式信号发生器电路图

NTSC制式信号发生器

📅 01-01 查看 →
简单的电视信号发生器电路电路图

简单的电视信号发生器电路

📅 01-01 查看 →
袖珍电视信号发生器电路电路图

袖珍电视信号发生器电路

📅 01-01 查看 →
电脑存储型彩色电视信号发生器电路电路图

电脑存储型彩色电视信号发生器电路

📅 01-01 查看 →
多功能家电保护电路电路图

多功能家电保护电路

📅 01-01 查看 →
电风扇加装温控器电路电路图

电风扇加装温控器电路

📅 01-01 查看 →
电风扇温控电路电路图

电风扇温控电路

📅 01-01 查看 →
电饭锅温度控制器电路电路图

电饭锅温度控制器电路

📅 01-01 查看 →
燃气热水器光耦合自控排气扇装置电路电路图

燃气热水器光耦合自控排气扇装置电路

📅 01-01 查看 →
粮棉仓库湿度过大自动通风及语言告戒电路电路图

粮棉仓库湿度过大自动通风及语言告戒电路

📅 01-01 查看 →
东芝冰箱温度测控回路联接电路图电路图

东芝冰箱温度测控回路联接电路图

📅 01-01 查看 →
  • 首页
  • « 上一页
  • 1
  • 2
  • 3
  • 4
  • 5
  • 6
  • 7
  • 8
  • 9
  • 10
  • 下一页 »
  • 末页
🔐 用户登录
加载中...

加载登录表单中...

🎁 免费注册送10积分
加载中...

加载注册表单中...

🔑 找回密码
加载中...

加载表单中...

🔐 需要登录
🔒

登录后即可使用!

🎁 新用户注册立即送10积分
积分可用于下载资源,免费获取优质技术资料
🚪 退出登录
👋

确认要退出登录吗?

退出后需要重新登录才能下载资源

关于虫虫

虫虫下载站是专业的电子工程师资源分享平台,汇聚 622,478+ 优质资源,为工程师提供免费、专业的技术资料。

🌐

快速链接

  • 📦 资源下载
  • 📁 资源专辑
  • 📐 电路图库
  • 📚 电子书籍
  • 🧮 在线计算器

帮助中心

  • 📋 服务条款
  • ℹ️ 关于我们
  • ⚠️ 免责声明
  • 🗺️ 网站地图

联系我们

扫码关注我们

虫虫下载站二维码

虫虫小帮手

© 2011-2025 虫虫下载站 - 专业的电子工程师资源分享平台 | 让技术资源触手可及

京ICP备2021023401号-1