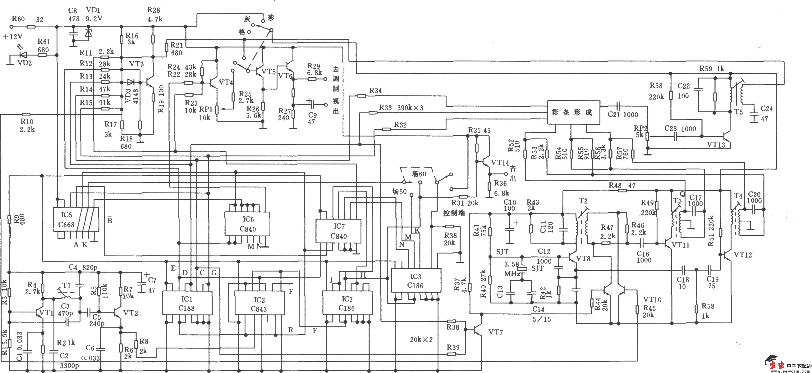
NTSC制式信号源在检测、维修多制式彩电、卫星电视接收机、影碟机、录象机、制转器以及CD-G等中很有用场。本文介绍一种实用、新颖、简单价廉的N制信号发生器,其场频50Hz和60Hz可变,除了N制彩条、八阶梯灰度和格子以外,还可出625行50场棋盘格。由于行、场基准频率采用数字电路分频而得,故信号稳定可靠,可作为定性分析的检测仪器。NTSC制式是平衡正交调幅制,就是把两个色差信号分别调制在频率相同而相位相差90o的色副载波上传输。它由3.58MHz晶体振荡、I、Q信号放大、色同步、彩条编码副载波混合、输出等电路组成,其电路原理方框图如图所示。

整机电路: