粮棉仓库湿度过大自动通风及语言告戒电路

📅 发布时间:2013-10-03 10:30 👁️ 浏览:0 🏷️ 标签: 仓库 湿度 自动 电路

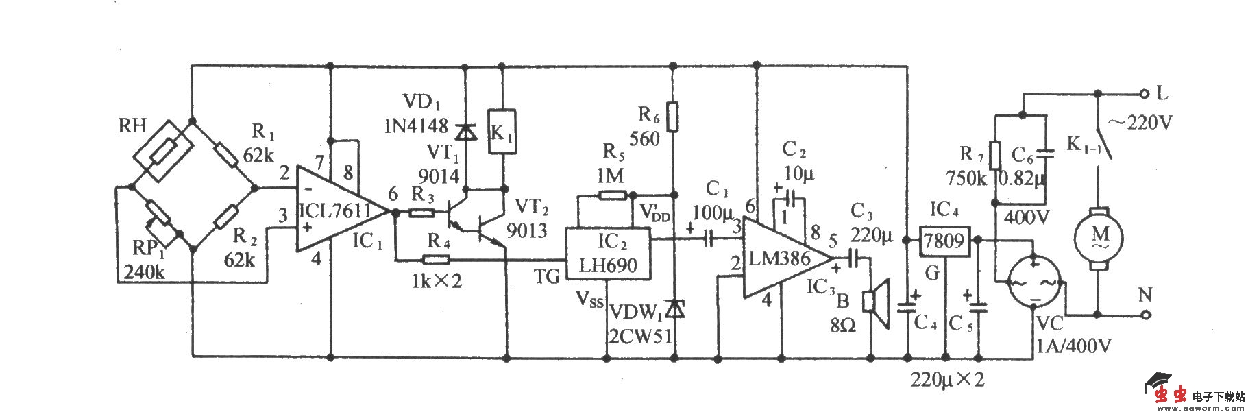
粮棉仓库湿度过大自动通风及语言告戒电路

如图所示电路,它由湿敏电桥网络、比较电路、继电器控制通风电路、语言发声电路和交流降压整流电路等组成。在仓库湿度过大时,电路将自动接通通风风扇,并发出告戒语句,提醒值勤人员注意。RH是湿度传感器,它与RP1,R1,R2组成一个桥式测湿网络。当环境湿度在正常范围内时,传感器RH呈现很大的阻值。

觉得这篇文章有帮助吗?