⭐ 欢迎来到虫虫下载站! | 📦 资源下载 📁 资源专辑 ℹ️ 关于我们
⭐ 虫虫下载站
🔐 登录 📝 注册
虫虫下载站
虫虫下载站
专业电子工程师资源平台
📤 上传资源
  • 🏠 首页
  • 📦 资源下载
  • 📁 资源专辑
  • 🔧 热门软件
  • ⭐ 精品资源
  • 🎓 基础知识
  • 📐 电路图
  • 📚 电子书
  • 🔢 在线计算器
  • 🔍 代码搜索
🏠 首页 › 📐 电路图 › 功放电路

📐 功放电路

📊 共 1879 个电路图 🎨 设计参考
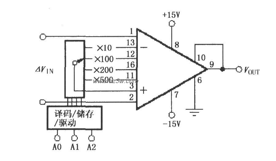
INA110构成的可编程增益电路图

INA110构成的可编程增益

📅 01-01 查看 →
提供一条输入共模电流通电路图

提供一条输入共模电流通

📅 01-01 查看 →
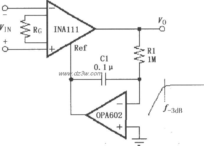
INA111构成的交流耦合仪电路图

INA111构成的交流耦合仪

📅 01-01 查看 →
INA111电桥传感器放大电电路图

INA111电桥传感器放大电

📅 01-01 查看 →
增益可正、负调节的放大电路图

增益可正、负调节的放大

📅 01-01 查看 →
具有相等输入阻抗的差分电路图

具有相等输入阻抗的差分

📅 01-01 查看 →
由4片ISO100构成的四通道电路图

由4片ISO100构成的四通道

📅 01-01 查看 →
双调谐放大电路电路图

双调谐放大电路

📅 01-01 查看 →
精密单位增益反相放大电电路图

精密单位增益反相放大电

📅 01-01 查看 →
增益为1/2的精密放大电电路图

增益为1/2的精密放大电

📅 01-01 查看 →
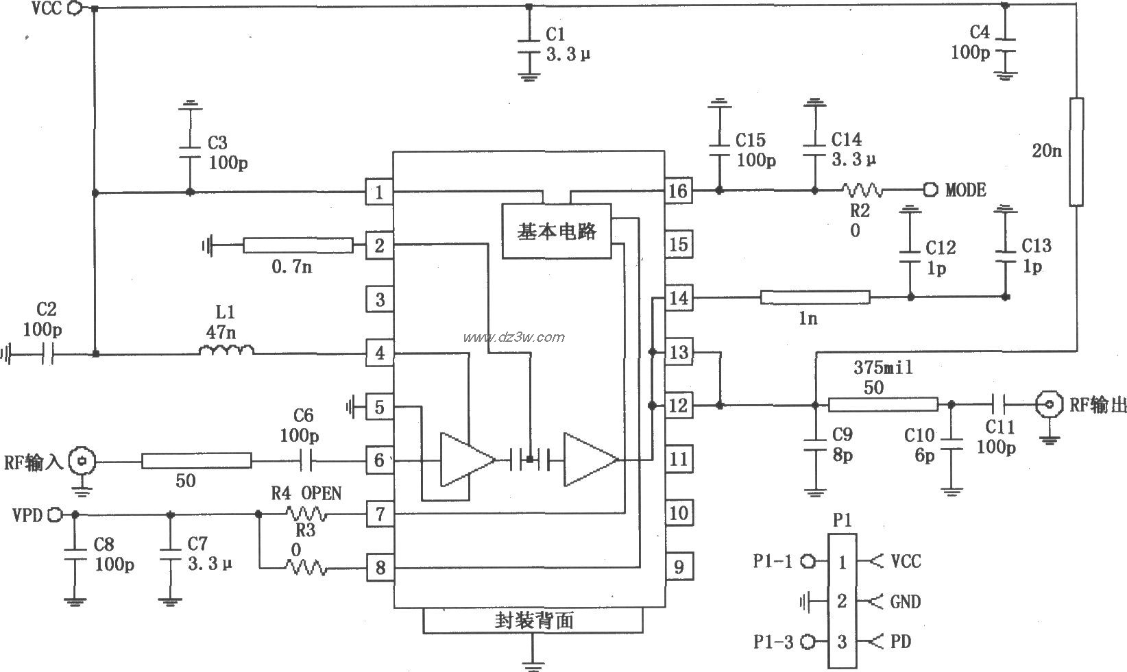
由RF2320构成的75Ω阻抗电路图

由RF2320构成的75Ω阻抗

📅 01-01 查看 →
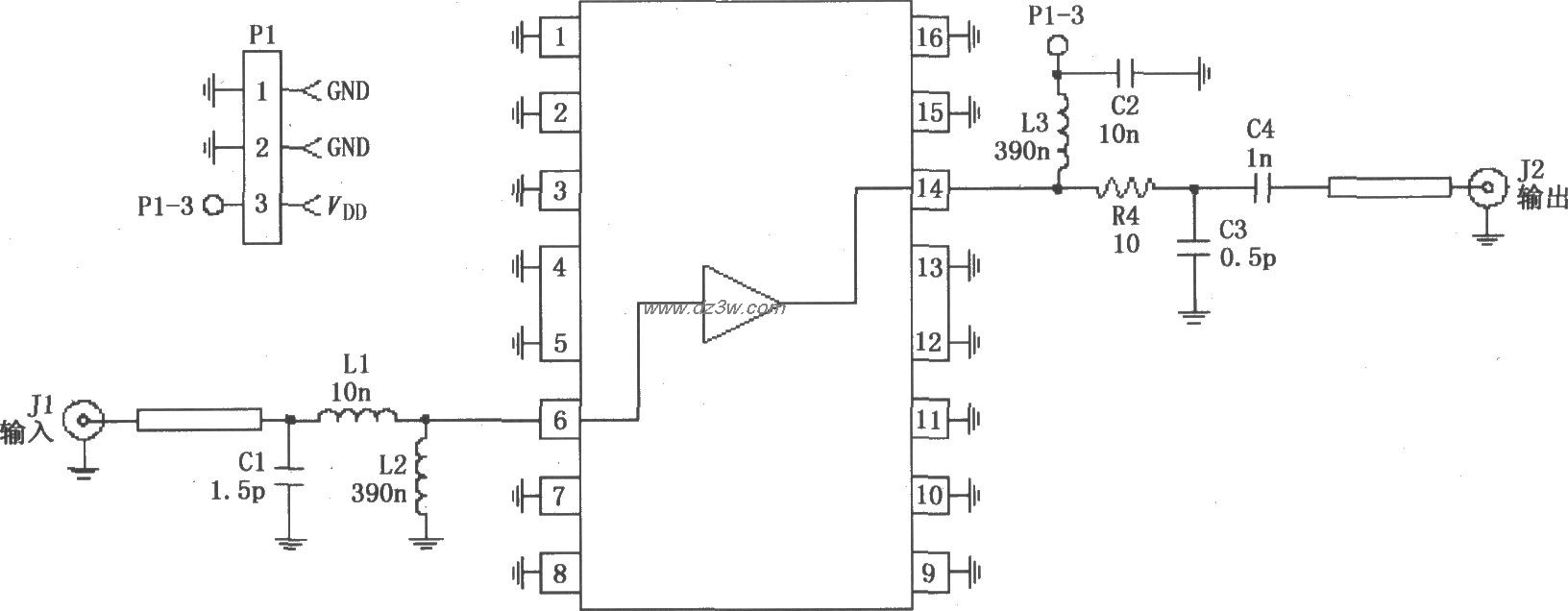
由RF2360构成的5~200MH电路图

由RF2360构成的5~200MH

📅 01-01 查看 →
由RF2320/2360构成的86电路图

由RF2320/2360构成的86

📅 01-01 查看 →
具有增益和共模抑制比可电路图

具有增益和共模抑制比可

📅 01-01 查看 →
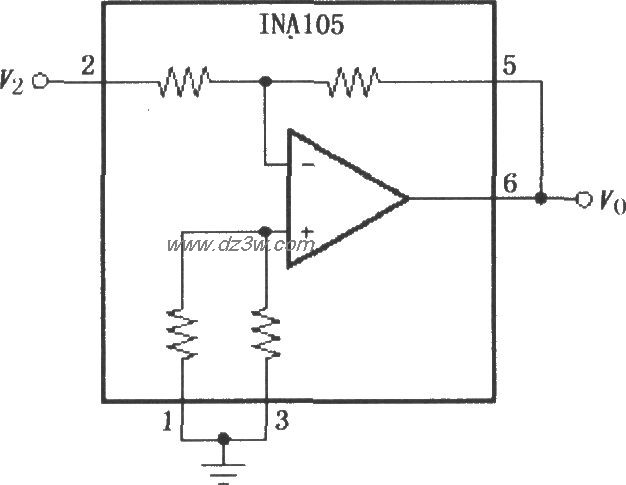
精密加法放大电路(INA10电路图

精密加法放大电路(INA10

📅 01-01 查看 →
雅马哈EMX2300音频功放电电路图

雅马哈EMX2300音频功放电

📅 01-01 查看 →
红外二极管选择性前置放电路图

红外二极管选择性前置放

📅 01-01 查看 →
增益为2的精密放大电路(电路图

增益为2的精密放大电路(

📅 01-01 查看 →
具有增益的精密加法放大电路图

具有增益的精密加法放大

📅 01-01 查看 →
由RF2152构成的824~849电路图

由RF2152构成的824~849

📅 01-01 查看 →
音量可调阻容耦合放大器电路图

音量可调阻容耦合放大器

📅 01-01 查看 →
测量微小电流的放大器电路图

测量微小电流的放大器

📅 01-01 查看 →
共模输入电压可达l00V的电路图

共模输入电压可达l00V的

📅 01-01 查看 →
RF2131在4.8V电源供电时电路图

RF2131在4.8V电源供电时

📅 01-01 查看 →
精密平均值放大电路(INA电路图

精密平均值放大电路(INA

📅 01-01 查看 →
由RF2152构成的877~924电路图

由RF2152构成的877~924

📅 01-01 查看 →
精密加法放大电路(INA10电路图

精密加法放大电路(INA10

📅 01-01 查看 →
低噪声20MHz宽带放大电路电路图

低噪声20MHz宽带放大电路

📅 01-01 查看 →
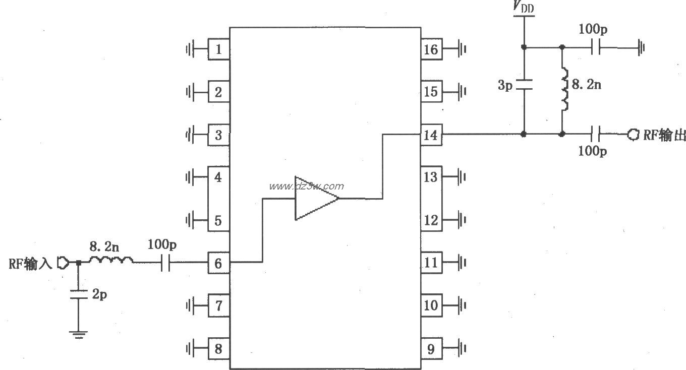
200MHz共源一共栅放大电电路图

200MHz共源一共栅放大电

📅 01-01 查看 →
50Ω输入一输出阻抗16dB电路图

50Ω输入一输出阻抗16dB

📅 01-01 查看 →
  • 首页
  • « 上一页
  • 1
  • 2
  • 3
  • 4
  • 5
  • 6
  • 7
  • 8
  • 9
  • 10
  • 下一页 »
  • 末页
🔐 用户登录
加载中...

加载登录表单中...

🎁 免费注册送10积分
加载中...

加载注册表单中...

🔑 找回密码
加载中...

加载表单中...

🔐 需要登录
🔒

登录后即可使用!

🎁 新用户注册立即送10积分
积分可用于下载资源,免费获取优质技术资料
🚪 退出登录
👋

确认要退出登录吗?

退出后需要重新登录才能下载资源

关于虫虫

虫虫下载站是专业的电子工程师资源分享平台,汇聚 622,478+ 优质资源,为工程师提供免费、专业的技术资料。

🌐

快速链接

  • 📦 资源下载
  • 📁 资源专辑
  • 📐 电路图库
  • 📚 电子书籍
  • 🧮 在线计算器

帮助中心

  • 📋 服务条款
  • ℹ️ 关于我们
  • ⚠️ 免责声明
  • 🗺️ 网站地图

联系我们

扫码关注我们

虫虫下载站二维码

虫虫小帮手

© 2011-2025 虫虫下载站 - 专业的电子工程师资源分享平台 | 让技术资源触手可及

京ICP备2021023401号-1