⭐ 欢迎来到虫虫下载站! | 📦 资源下载 📁 资源专辑 ℹ️ 关于我们
⭐ 虫虫下载站
🔐 登录 📝 注册
虫虫下载站
虫虫下载站
专业电子工程师资源平台
📤 上传资源
  • 🏠 首页
  • 📦 资源下载
  • 📁 资源专辑
  • 🔧 热门软件
  • ⭐ 精品资源
  • 🎓 基础知识
  • 📐 电路图
  • 📚 电子书
  • 🔢 在线计算器
  • 🔍 代码搜索
🏠 首页 › 📐 电路图 › 基础电路

📐 基础电路

📊 共 2551 个电路图 🎨 设计参考
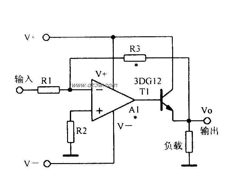
运算放大器精密调零电路电路图

运算放大器精密调零电路

📅 01-01 查看 →
双极性输出时的电流扩展电路图

双极性输出时的电流扩展

📅 01-01 查看 →
单极性输出时的电流扩展电路图

单极性输出时的电流扩展

📅 01-01 查看 →
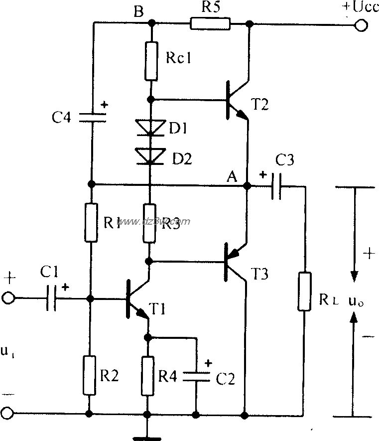
有输入变压器的OTL电路电路图

有输入变压器的OTL电路

📅 01-01 查看 →
实用互补对称电路电路图

实用互补对称电路

📅 01-01 查看 →
电容充放电演示仪(NE555电路图

电容充放电演示仪(NE555

📅 01-01 查看 →
脉冲占空比演示电路电路图

脉冲占空比演示电路

📅 01-01 查看 →
简谐振动波演示器(CD404电路图

简谐振动波演示器(CD404

📅 01-01 查看 →
桥式整流演示电路(NE555电路图

桥式整流演示电路(NE555

📅 01-01 查看 →
电磁振荡演示器(NE555、电路图

电磁振荡演示器(NE555、

📅 01-01 查看 →
电磁感应演示器电路图

电磁感应演示器

📅 01-01 查看 →
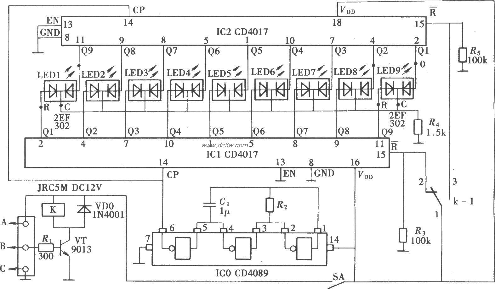
电流方向演示器(CD4089、电路图

电流方向演示器(CD4089、

📅 01-01 查看 →
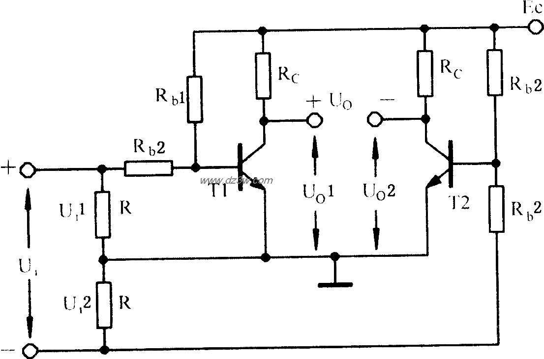
差动放大电路的基本电路电路图

差动放大电路的基本电路

📅 01-01 查看 →
甲乙类互补对称电路电路图

甲乙类互补对称电路

📅 01-01 查看 →
简单的单管功率放大电路电路图

简单的单管功率放大电路

📅 01-01 查看 →
场输出电路:AN5521电路图

场输出电路:AN5521

📅 01-01 查看 →
场输出电路:LA7833电路图

场输出电路:LA7833

📅 01-01 查看 →
采用光耦合器的直流电压电路图

采用光耦合器的直流电压

📅 01-01 查看 →
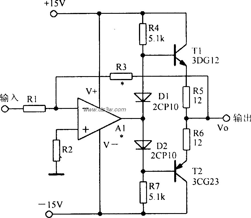
电压-电流转换电路电路图

电压-电流转换电路

📅 01-01 查看 →
交流电压的检出电路图

交流电压的检出

📅 01-01 查看 →
电阻-电压转换电路图

电阻-电压转换

📅 01-01 查看 →
推动接地负载的大电流非电路图

推动接地负载的大电流非

📅 01-01 查看 →
SSB调制的原理电路图

SSB调制的原理

📅 01-01 查看 →
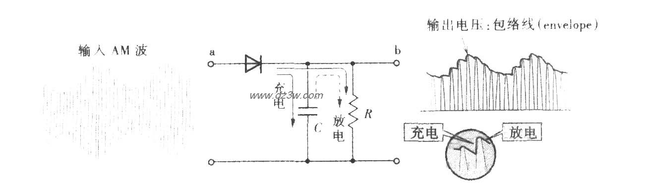
二极管检波电路电路图

二极管检波电路

📅 01-01 查看 →
环形调制电路电路图

环形调制电路

📅 01-01 查看 →
F007型集成电路内部电路电路图

F007型集成电路内部电路

📅 01-01 查看 →
集电极调制电路电路图

集电极调制电路

📅 01-01 查看 →
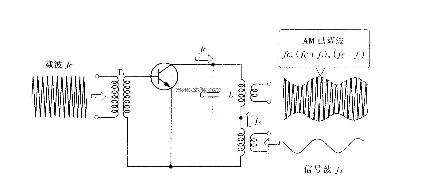
AM调制的原理(集电极调制电路图

AM调制的原理(集电极调制

📅 01-01 查看 →
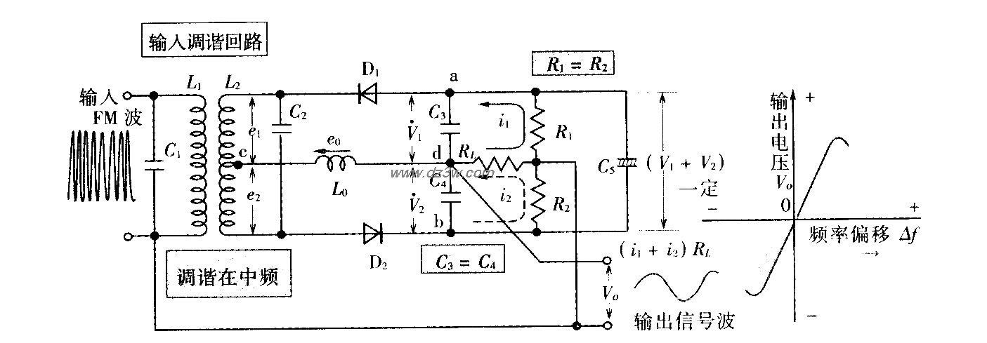
比例(ratio)检波电路电路图

比例(ratio)检波电路

📅 01-01 查看 →
全波整流电路原理电路图

全波整流电路原理

📅 01-01 查看 →
  • 首页
  • « 上一页
  • 1
  • 2
  • 3
  • 4
  • 5
  • 6
  • 7
  • 8
  • 9
  • 10
  • 下一页 »
  • 末页
🔐 用户登录
加载中...

加载登录表单中...

🎁 免费注册送10积分
加载中...

加载注册表单中...

🔑 找回密码
加载中...

加载表单中...

🔐 需要登录
🔒

登录后即可使用!

🎁 新用户注册立即送10积分
积分可用于下载资源,免费获取优质技术资料
🚪 退出登录
👋

确认要退出登录吗?

退出后需要重新登录才能下载资源

关于虫虫

虫虫下载站是专业的电子工程师资源分享平台,汇聚 622,478+ 优质资源,为工程师提供免费、专业的技术资料。

🌐

快速链接

  • 📦 资源下载
  • 📁 资源专辑
  • 📐 电路图库
  • 📚 电子书籍
  • 🧮 在线计算器

帮助中心

  • 📋 服务条款
  • ℹ️ 关于我们
  • ⚠️ 免责声明
  • 🗺️ 网站地图

联系我们

扫码关注我们

虫虫下载站二维码

虫虫小帮手

© 2011-2025 虫虫下载站 - 专业的电子工程师资源分享平台 | 让技术资源触手可及

京ICP备2021023401号-1