⭐ 欢迎来到虫虫下载站! | 📦 资源下载 📁 资源专辑 ℹ️ 关于我们
⭐ 虫虫下载站
🔐 登录 📝 注册
虫虫下载站
虫虫下载站
专业电子工程师资源平台
📤 上传资源
  • 🏠 首页
  • 📦 资源下载
  • 📁 资源专辑
  • 🔧 热门软件
  • ⭐ 精品资源
  • 🎓 基础知识
  • 📐 电路图
  • 📚 电子书
  • 🔢 在线计算器
  • 🔍 代码搜索
🏠 首页 › 📐 电路图 › 基础电路

📐 基础电路

📊 共 2551 个电路图 🎨 设计参考
由CD4511组成的循环式定时提醒器电路电路图

由CD4511组成的循环式定时提醒器电路

📅 01-01 查看 →
电热毯循环定时器电路电路图

电热毯循环定时器电路

📅 01-01 查看 →
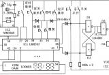
两位数显秒计时器(5G5544、CD4511、CD4518)电路图

两位数显秒计时器(5G5544、CD4511、CD4518)

📅 01-01 查看 →
由CD4541构成的定时服药提醒器电路图

由CD4541构成的定时服药提醒器

📅 01-01 查看 →
用CD4541组成的长延时定时电路电路图

用CD4541组成的长延时定时电路

📅 01-01 查看 →
逆计时数显定时控制器(CD40110、CD4040、CD4069)电路图

逆计时数显定时控制器(CD40110、CD4040、CD4069)

📅 01-01 查看 →
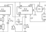
长延时定时控制器(CD4060、CD4518、CD4069)电路图

长延时定时控制器(CD4060、CD4518、CD4069)

📅 01-01 查看 →
钟控定时喷灌器电路电路图

钟控定时喷灌器电路

📅 01-01 查看 →
时间可调定时器电路电路图

时间可调定时器电路

📅 01-01 查看 →
采用CD4011B的定时器电路电路图

采用CD4011B的定时器电路

📅 01-01 查看 →
家用电器用电定时器电路电路图

家用电器用电定时器电路

📅 01-01 查看 →
实用多功能定时器电路电路图

实用多功能定时器电路

📅 01-01 查看 →
洗衣机电子定时器电路电路图

洗衣机电子定时器电路

📅 01-01 查看 →
采用LM8365的分时定时器电路电路图

采用LM8365的分时定时器电路

📅 01-01 查看 →
顺序定时电路电路图

顺序定时电路

📅 01-01 查看 →
周期工作的双定时器电路电路图

周期工作的双定时器电路

📅 01-01 查看 →
在时间流程中继电器吸合的定时器电路电路图

在时间流程中继电器吸合的定时器电路

📅 01-01 查看 →
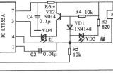
采用LTl55A系列定时器电路电路图

采用LTl55A系列定时器电路

📅 01-01 查看 →
由两块RS6445C长时间定时集成电路构成的间歇定时器电路电路图

由两块RS6445C长时间定时集成电路构成的间歇定时器电路

📅 01-01 查看 →
RS6445C长时间定时集成电路典型应用电路电路图

RS6445C长时间定时集成电路典型应用电路

📅 01-01 查看 →
具有106固定预置时间的定时器电路电路图

具有106固定预置时间的定时器电路

📅 01-01 查看 →
采用单稳态勉发器的定时器电路电路图

采用单稳态勉发器的定时器电路

📅 01-01 查看 →
采用天稳态触发器的周期定时器电路电路图

采用天稳态触发器的周期定时器电路

📅 01-01 查看 →
时钟定时电路原理图电路图

时钟定时电路原理图

📅 01-01 查看 →
双表控制的可控硅定时器电路(三)电路图

双表控制的可控硅定时器电路(三)

📅 01-01 查看 →
长延时电子定时器电路电路图

长延时电子定时器电路

📅 01-01 查看 →
超精度长延时电路电路图

超精度长延时电路

📅 01-01 查看 →
带继电器的双稳态电路电路图

带继电器的双稳态电路

📅 01-01 查看 →
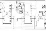
单管延时吸合继电器电路电路图

单管延时吸合继电器电路

📅 01-01 查看 →
单管延时释放继电器电路电路图

单管延时释放继电器电路

📅 01-01 查看 →
  • 首页
  • « 上一页
  • 1
  • 2
  • 3
  • 4
  • 5
  • 6
  • 7
  • 8
  • 9
  • 10
  • 下一页 »
  • 末页
🔐 用户登录
加载中...

加载登录表单中...

🎁 免费注册送10积分
加载中...

加载注册表单中...

🔑 找回密码
加载中...

加载表单中...

🔐 需要登录
🔒

登录后即可使用!

🎁 新用户注册立即送10积分
积分可用于下载资源,免费获取优质技术资料
🚪 退出登录
👋

确认要退出登录吗?

退出后需要重新登录才能下载资源

关于虫虫

虫虫下载站是专业的电子工程师资源分享平台,汇聚 622,478+ 优质资源,为工程师提供免费、专业的技术资料。

🌐

快速链接

  • 📦 资源下载
  • 📁 资源专辑
  • 📐 电路图库
  • 📚 电子书籍
  • 🧮 在线计算器

帮助中心

  • 📋 服务条款
  • ℹ️ 关于我们
  • ⚠️ 免责声明
  • 🗺️ 网站地图

联系我们

扫码关注我们

虫虫下载站二维码

虫虫小帮手

© 2011-2025 虫虫下载站 - 专业的电子工程师资源分享平台 | 让技术资源触手可及

京ICP备2021023401号-1