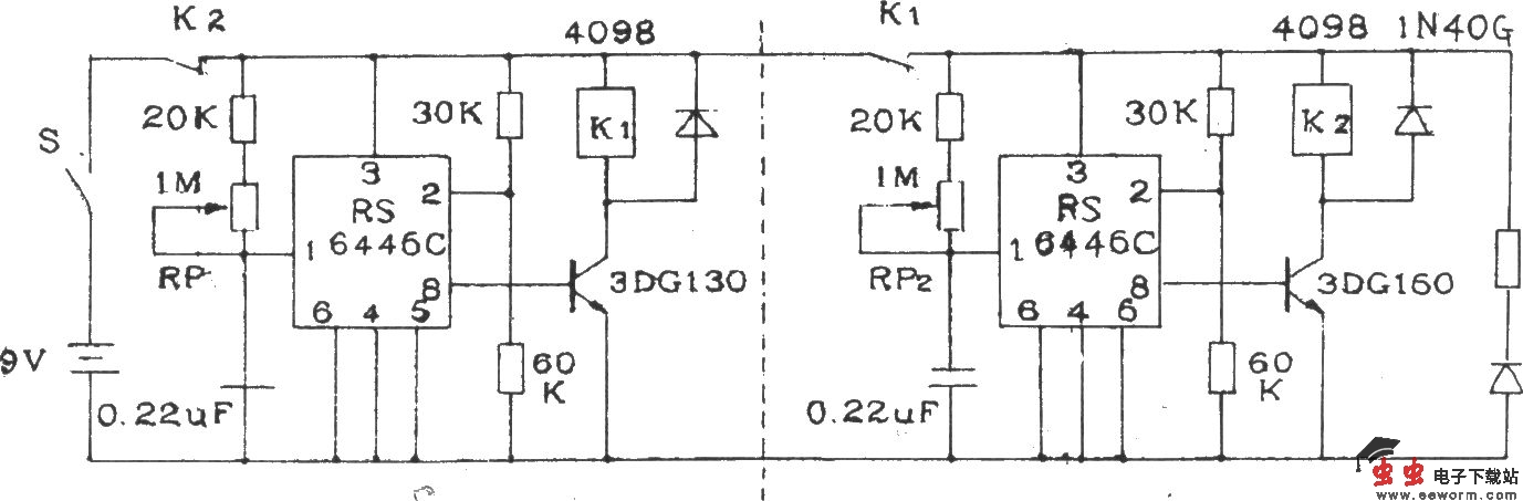
由两块RS6445C长时间定时集成电路构成的间歇定时器电路

📅 发布时间:2013-10-02 21:05 👁️ 浏览:0 🏷️ 标签: 6445C 6445 RS 定时

由两块RS6445C长时间定时集成电路构成的间歇定时器电路

由两块RS6445C长时间定时集成电路构成的间歇定时器电路

此电路能控制设备间歇工作。图中4、5两脚接地,预置电平均为低电平L,电位器RP1和RP2分别用来调解工作时间和停止时间,二者均可在0.5~24小时内连续调整。若需减短定时时间,可增大相应电位器阻值。如果按图中虚线一分为二,则可成为两个独立的定时器。

觉得这篇文章有帮助吗?