
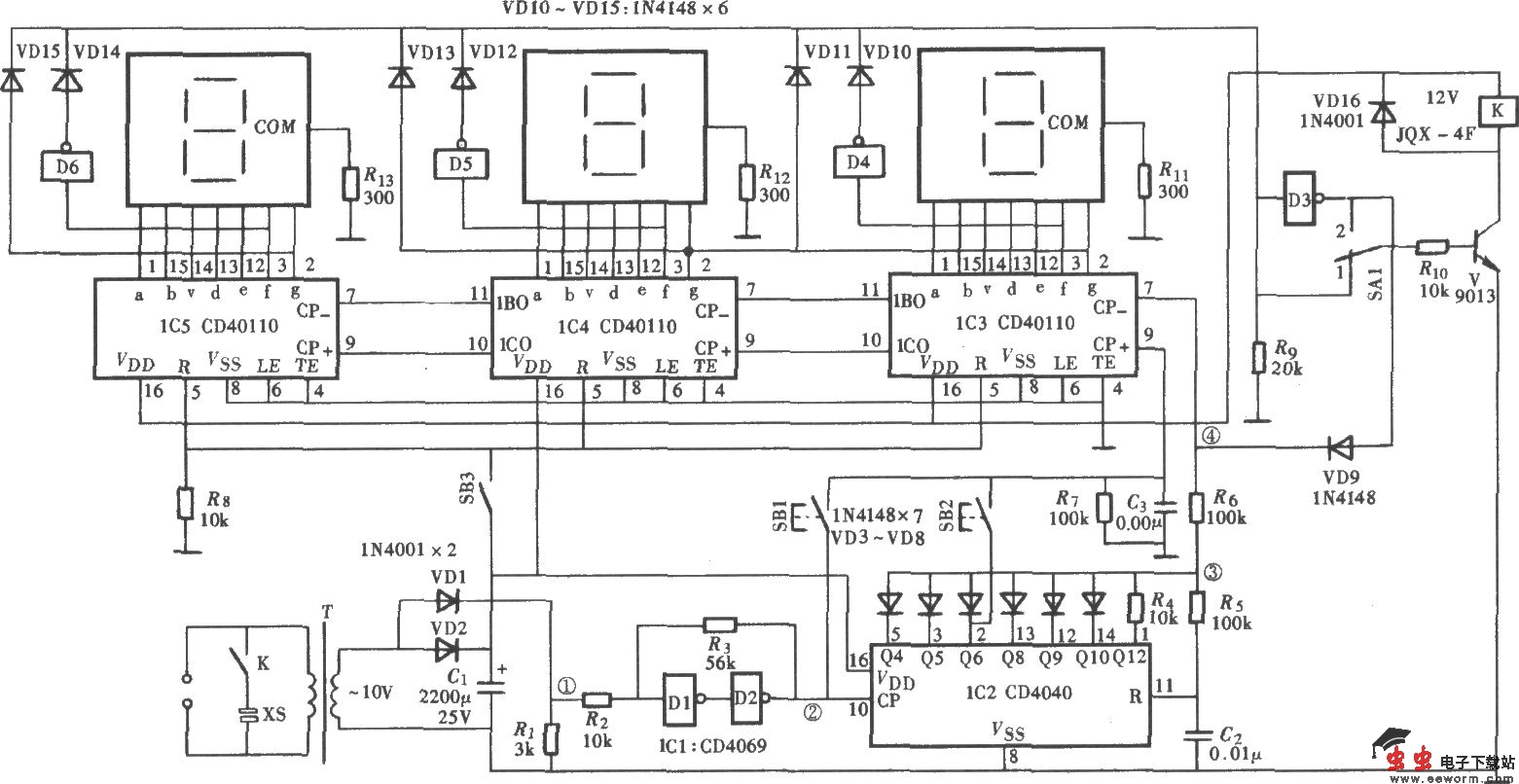
利用交流电源50Hz的输出频率通过分频,可以取得各种不同频率的时基脉冲。该电路选用lmin的时间长度作为定时器的时基标准,通过计数器的计数、译码、最后用数码管将时间显示出来。电路采用逆计数定时方式,先将所需定时时间通过预置开关进行预置,然后通过减法计数使预置时间数逐步减少。当预置时间被减为0时,计数器停止计数并输出控制信号使继电器动作。由于电路可以选择预置定时开或定时关,所以使用十分方便,其电路组成如图所示。

利用交流电源50Hz的输出频率通过分频,可以取得各种不同频率的时基脉冲。该电路选用lmin的时间长度作为定时器的时基标准,通过计数器的计数、译码、最后用数码管将时间显示出来。电路采用逆计数定时方式,先将所需定时时间通过预置开关进行预置,然后通过减法计数使预置时间数逐步减少。当预置时间被减为0时,计数器停止计数并输出控制信号使继电器动作。由于电路可以选择预置定时开或定时关,所以使用十分方便,其电路组成如图所示。