由CD4541构成的定时服药提醒器

📅 发布时间:2013-10-03 00:40 👁️ 浏览:0 🏷️ 标签: 4541 CD 定时 提醒器

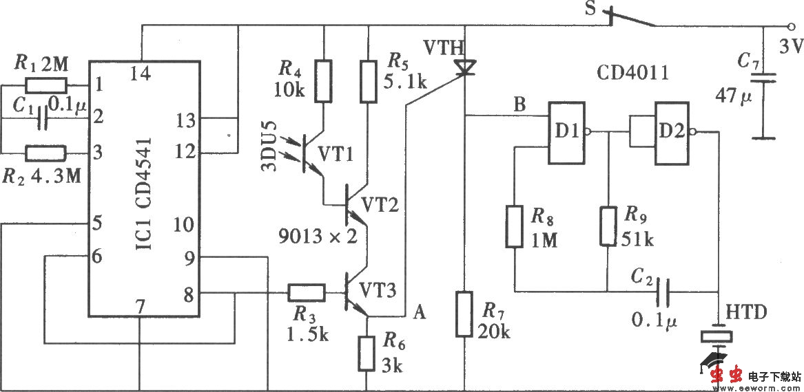
由CD4541构成的定时服药提醒器

定时服药提醒器专为那些患病后需要不问断服药的病人使用。该提醒器可安装在家庭中专用药箱上,按照每天需要服药次数设定定时间隔,当到达预定服药时间后,提醒器发生提示声响,打开药箱后响声停止并进入下一个提示定时时段。其电路如图所示,由定时器、提醒音响发生器及相关控制电路组成。

觉得这篇文章有帮助吗?