由CD4511组成的循环式定时提醒器电路

📅 发布时间:2013-10-03 00:55 👁️ 浏览:0 🏷️ 标签: 4511 CD 循环式 定时提醒器

由CD4511组成的循环式定时提醒器电路

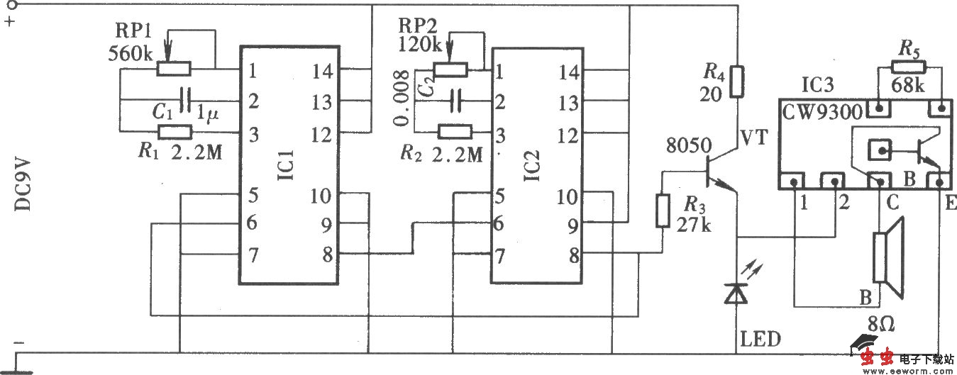
用两只CD4541串联组合可以组成一个循环式定时器,将定时器的输出端连接一个发声电路便可组成一个定时提醒电路。这种定时提醒电路有多种用途,如对病人的监护、定时提醒服药等。提醒发声电路可选择自己喜欢的各种音乐集成电路。该定时器选用音乐片CW9300作为发声电路,其组成如图所示。

觉得这篇文章有帮助吗?