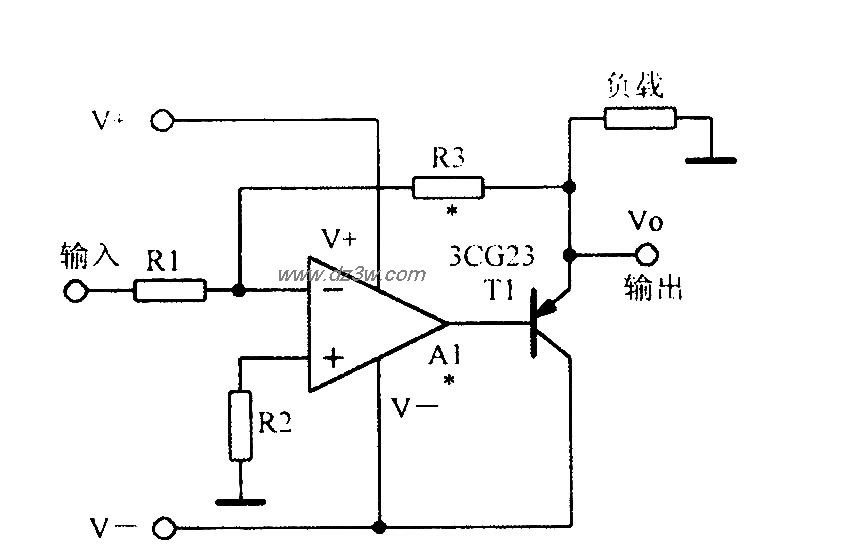
单极性输出时的电流扩展

📅 发布时间:2013-08-18 14:30 👁️ 浏览:0 🏷️ 标签: 单极性 输出 电流扩展

单极性输出时的电流扩展电路
正向输出时的电流扩展电路:
负向输出时的电流扩展电路:

 


觉得这篇文章有帮助吗?