由MC14541构成的简单定时器

📅 发布时间:2013-10-03 04:30 👁️ 浏览:0 🏷️ 标签: 14541 MC 定时器

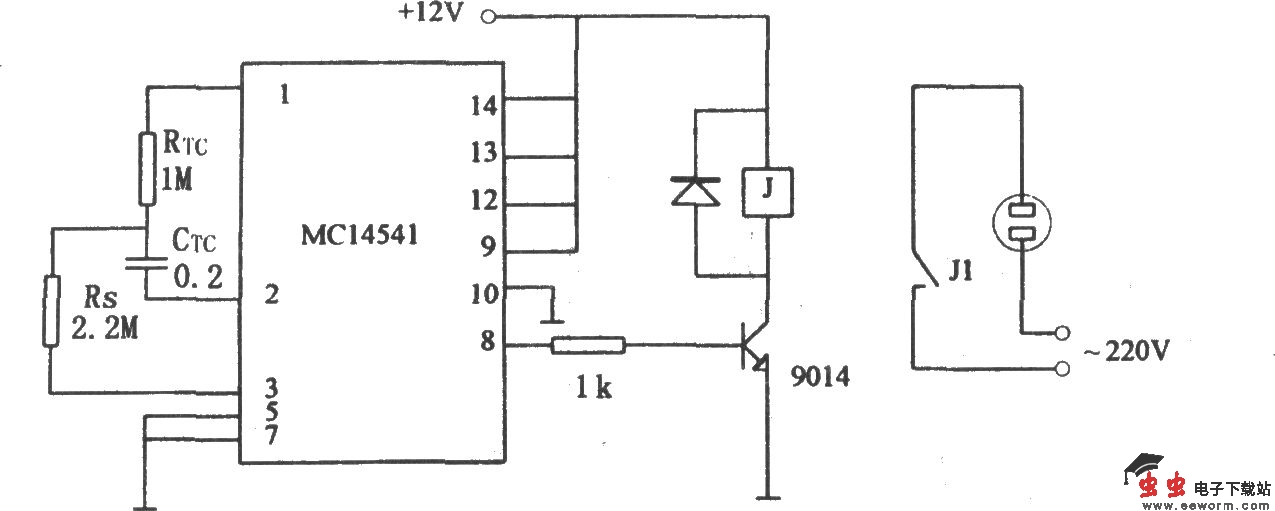
由MC14541构成的简单定时器

如图所示为由MC14541构成的简单定时电路。该电路利用集成电路MC14541构成简单的定时电路。按图中参数,定时时间为3小时,并可选用不同的RTC、CTC和Rs值.以达到所需要的定时控制。

觉得这篇文章有帮助吗?