⭐ 欢迎来到虫虫下载站!
|
📦 资源下载
📁 资源专辑
ℹ️ 关于我们
⭐ 虫虫下载站
🔐
登录
📝
注册
虫虫下载站
专业电子工程师资源平台
📤 上传资源
🏠 首页
📦 资源下载
📁 资源专辑
🔧 热门软件
⭐ 精品资源
🎓 基础知识
📐 电路图
📚 电子书
🔢 在线计算器
🔍 代码搜索
🏠 首页
›
电路图
›
基础电路
›
一位数显式定时器电路图
一位数显式定时器电路图
📅 发布时间:
2013-09-12 06:30
👁️ 浏览:
2
🏷️ 标签:
数显式
定时器
电路图
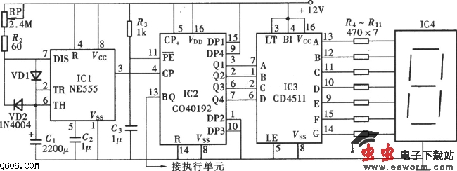
数显式定时器具有显示明确清晰的特点。它是将表示时间的数字脉冲信号通过数码器译码后,用数码显示管显示出来。该电路介绍的是一位数码显示的数显式定时器,它的显示单位要根据时基信号的单位而定。它可以是“秒”,也可以是“分”,当然也可以是“时”。但对于数显式一位定时器来说,“时”这个单位太大了,由于本电路结构的原因,不易达到准确,所以一般很少采用。其电路组成如图所示。本电路由时基信号发生器、时间计数器、数码译码器和数码显示器组成。
觉得这篇文章有帮助吗?
👍 来顶一下 (
77
)
🔐 用户登录
×
加载中...
加载登录表单中...
🎁
免费注册送10积分
×
加载中...
加载注册表单中...
🔑 找回密码
×
加载中...
加载表单中...
🔐
需要登录
×
🔒
登录后即可使用!
🎁
新用户注册立即送10积分
积分可用于下载资源,免费获取优质技术资料
🚪
退出登录
×
👋
确认要退出登录吗?
退出后需要重新登录才能下载资源