运放5G26组成的定时报警器

📅 发布时间:2013-10-02 09:35 👁️ 浏览:0 🏷️ 标签: 5G26 运放 定时报警器

运放5G26组成的定时报警器

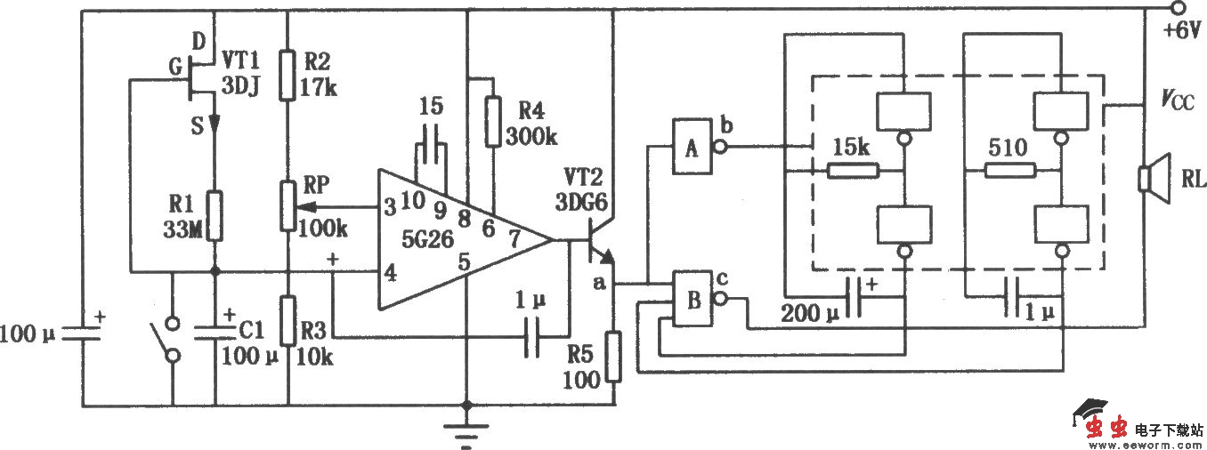
如图所示是用集成运算放大器5G26和与非门组成的定时报警器线路。线路的左边部分是一个定时装置,5G26组成比较放大电路,VT1和R1组成一个恒流源,对C1进行恒流充电,使Vc的电位逐渐升高(集成运放同相输入端),RP电位器调节反相输入端的电压,通过同相和反相输入的电位比较,决定运放输出是高电平还是低电平。右边部分与非功率门作电压源控制,四个反相器作信号振荡源,利用它们的逻辑功能来实现报警。

觉得这篇文章有帮助吗?