⭐ 欢迎来到虫虫下载站! | 📦 资源下载 📁 资源专辑 ℹ️ 关于我们
⭐ 虫虫下载站
🔐 登录 📝 注册
虫虫下载站
虫虫下载站
专业电子工程师资源平台
📤 上传资源
  • 🏠 首页
  • 📦 资源下载
  • 📁 资源专辑
  • 🔧 热门软件
  • ⭐ 精品资源
  • 🎓 基础知识
  • 📐 电路图
  • 📚 电子书
  • 🔢 在线计算器
  • 🔍 代码搜索
🏠 首页 › 📐 电路图 › 充电电路

📐 充电电路

📊 共 25 个电路图 🎨 设计参考
太阳能蓄电池充电控制电路图电路图

太阳能蓄电池充电控制电路图

📅 01-01 查看 →
智能脉冲电动自行车充电器电路图

智能脉冲电动自行车充电器

📅 01-01 查看 →
温度—频率转换电路电路图

温度—频率转换电路

📅 01-01 查看 →
手扶拖拉机照明充电器电路电路图

手扶拖拉机照明充电器电路

📅 01-01 查看 →
燃气热水器电子点火电路电路图

燃气热水器电子点火电路

📅 01-01 查看 →
由CD4046构成的斜波发生器电路图

由CD4046构成的斜波发生器

📅 01-01 查看 →
可调恒流源充电的锯齿波电路电路图

可调恒流源充电的锯齿波电路

📅 01-01 查看 →
恒流源充电的锯齿波电路电路图

恒流源充电的锯齿波电路

📅 01-01 查看 →
以恒定电流充电的铝齿波发生器电路电路图

以恒定电流充电的铝齿波发生器电路

📅 01-01 查看 →
晶体管继电器延时吸合电路电路图

晶体管继电器延时吸合电路

📅 01-01 查看 →
运放继电器延时释放电路电路图

运放继电器延时释放电路

📅 01-01 查看 →
电热毯、电饭锅定时器电路图

电热毯、电饭锅定时器

📅 01-01 查看 →
JEC-2组成的延时电路(一)电路图

JEC-2组成的延时电路(一)

📅 01-01 查看 →
U2403B恒流充电计时器典型应用电路电路图

U2403B恒流充电计时器典型应用电路

📅 01-01 查看 →
由U2403B恒温流充电计时器构成大电流充电电路电路图

由U2403B恒温流充电计时器构成大电流充电电路

📅 01-01 查看 →

高精度6~60秒定时器

📅 01-01 查看 →
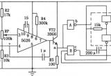
运放5G26组成的定时报警器电路图

运放5G26组成的定时报警器

📅 01-01 查看 →
TCLHW868P/TSD型无绳电话机主机电源与充电电路电路图

TCLHW868P/TSD型无绳电话机主机电源与充电电路

📅 01-01 查看 →
开关电源电路图分析电路图

开关电源电路图分析

📅 01-01 查看 →
奇辉GF-066型全自动消防应急灯原理分析电路图

奇辉GF-066型全自动消防应急灯原理分析

📅 01-01 查看 →
YJD1-M消防应急照明灯原理分析电路图

YJD1-M消防应急照明灯原理分析

📅 01-01 查看 →
太阳能警示灯控制电路电路图

太阳能警示灯控制电路

📅 01-01 查看 →
手机万能充电器电路原理与维修电路图

手机万能充电器电路原理与维修

📅 01-01 查看 →
煤气高压点火器电路图

煤气高压点火器

📅 01-01 查看 →
双向可控硅调光电路图电路图

双向可控硅调光电路图

📅 01-01 查看 →
🔐 用户登录
加载中...

加载登录表单中...

🎁 免费注册送10积分
加载中...

加载注册表单中...

🔑 找回密码
加载中...

加载表单中...

🔐 需要登录
🔒

登录后即可使用!

🎁 新用户注册立即送10积分
积分可用于下载资源,免费获取优质技术资料
🚪 退出登录
👋

确认要退出登录吗?

退出后需要重新登录才能下载资源

关于虫虫

虫虫下载站是专业的电子工程师资源分享平台,汇聚 622,478+ 优质资源,为工程师提供免费、专业的技术资料。

🌐

快速链接

  • 📦 资源下载
  • 📁 资源专辑
  • 📐 电路图库
  • 📚 电子书籍
  • 🧮 在线计算器

帮助中心

  • 📋 服务条款
  • ℹ️ 关于我们
  • ⚠️ 免责声明
  • 🗺️ 网站地图

联系我们

扫码关注我们

虫虫下载站二维码

虫虫小帮手

© 2011-2025 虫虫下载站 - 专业的电子工程师资源分享平台 | 让技术资源触手可及

京ICP备2021023401号-1