集成计数式定时器XR2240

📅 发布时间:2013-08-17 23:00 👁️ 浏览:1 🏷️ 标签: 2240 XR 集成 定时器

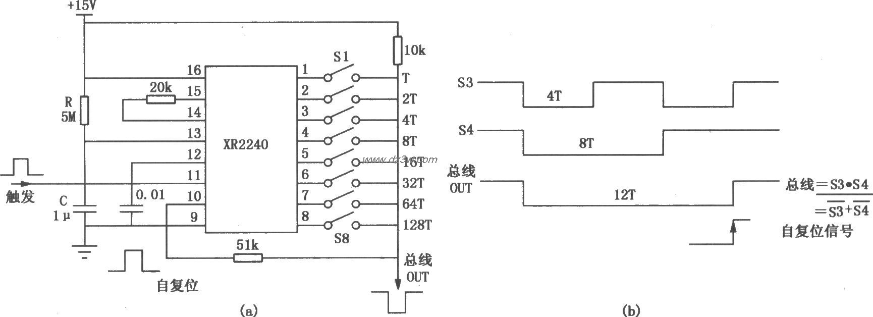
集成计数式定时器XR2240组成的定时电路
XR2240是一种集成计数式定时器,是基于555的改进型器件,其内部包含了一个由555构成的振荡器、8级分频器以及控制逻辑电路等。XR2240的方框图及时序图:

XR2240用于定时的具体电路及波形:

 


觉得这篇文章有帮助吗?