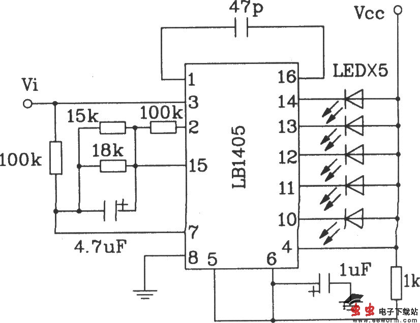
LB140五位LED电平指示驱动集成电路典型应用电路

📅 发布时间:2013-10-01 00:45 👁️ 浏览:0 🏷️ 标签: 140 LED LB 电平指示

LB140五位LED电平指示驱动集成电路典型应用电路 

LB140五位LED电平指示驱动集成电路典型应用电路 BL1405广泛应用于录音机和收录机做电平指示用。

觉得这篇文章有帮助吗?