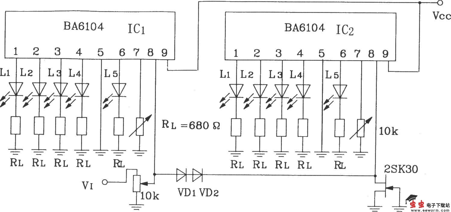
2块BA6104五位LED电平表驱动集成电路构成的10点LED电平显示电路

📅 发布时间:2013-10-01 00:20 👁️ 浏览:1 🏷️ 标签: LED 6104 BA 电平表

2块BA6104五位LED电平表驱动集成电路构成的10点LED电平显示电路

2块BA6104五位LED电平表驱动集成电路构成的10点LED电平显示电路

由两块BA6104构成的10点LED电平显示电路见图所示,调节IC1第7脚的Vref,使IC1中L1~L5 5只LED全亮;调节IC2第7脚的Vref使IC2的L1~L5 5只LED全亮,此亮灯电压是IC1的2倍,发光顺序为IC1的L1~L5到IC2的L1~L5。

觉得这篇文章有帮助吗?