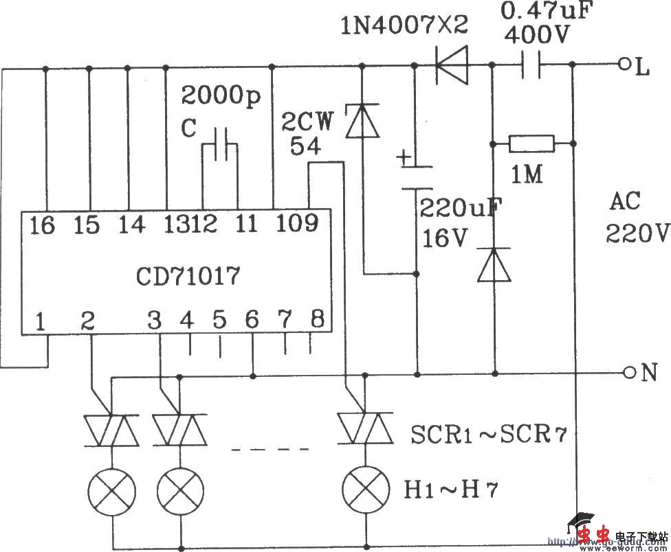
CD71017多功能程控闪光集成电路驱动交流彩灯应用电路

📅 发布时间:2013-09-25 21:40 👁️ 浏览:1 🏷️ 标签: 71017 CD 多功能 交流

CD71017多功能程控闪光集成电路16脚封装驱动交流彩灯应用电路

CD71017多功能程控闪光集成电路16脚封装驱动交流彩灯应用电路

16脚封装CD71017具有6种基本闪光功能,并设有3个花样控制端(B1、B2、B3),用户可根据自己的爱好,对其进行设置。此器件同时又具有高、低功耗控制端,以适应不同场合的需要。

觉得这篇文章有帮助吗?