欢迎来到虫虫开发者社区 — 百万工程师技术资源
关于我们
网站地图
登录
注册
虫
虫虫开发者社区
首页
资源下载
资源专辑
热门软件
精品资源
电子书
上传资源
首页
›
电路图
›
电源(Power)
›
用CW34603组成改变输出电源极性的电路
用CW34603组成改变输出电源极性的电路
发布时间:
2013-09-25 07:30
浏览:
0
标签:
34603
CW
改变
输出电源
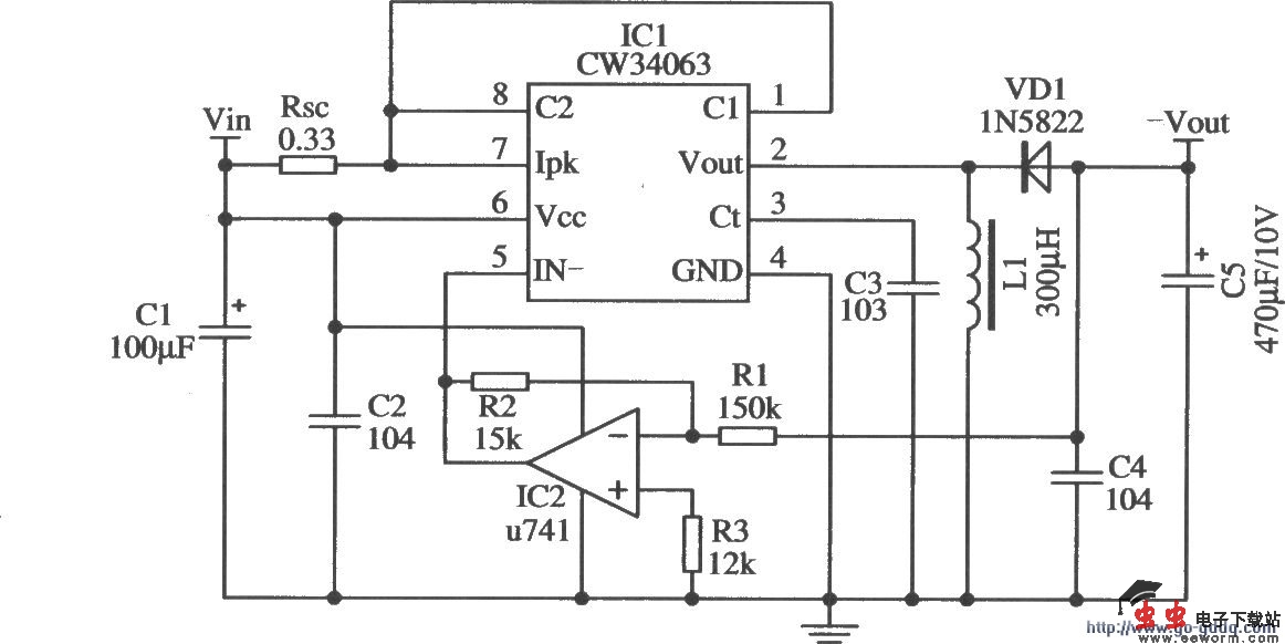
用CW34063接成电压反转变换电路时需外接一个运算放大器,将取样信号倒相改变极性。其电路如图所示,外接元件共有10个。
觉得这篇文章有帮助吗?
来顶一下 (
48
)
用户登录
登录后可下载更多技术资源
×
加载中...
加载登录表单中...
用户注册
送10积分
加入工程师资源平台
×
加载中...
加载注册表单中...
找回密码
通过邮箱重置您的账号密码
×
加载中...
加载表单中...
需要登录
登录后即可使用更多功能
×
新用户注册即送10积分,可用于下载资源
👋
退出登录
确认要退出当前账号吗?
×
退出后需要重新登录才能下载资源