⭐ 欢迎来到虫虫下载站! | 📦 资源下载 📁 资源专辑 ℹ️ 关于我们
⭐ 虫虫下载站
🔐 登录 📝 注册
虫虫下载站
虫虫下载站
专业电子工程师资源平台
📤 上传资源
  • 🏠 首页
  • 📦 资源下载
  • 📁 资源专辑
  • 🔧 热门软件
  • ⭐ 精品资源
  • 🎓 基础知识
  • 📐 电路图
  • 📚 电子书
  • 🔢 在线计算器
  • 🔍 代码搜索
🏠 首页 › 📐 电路图 › 电源(Power)

📐 电源(Power)

📊 共 110 个电路图 🎨 设计参考
惠普6L激光打印机电源电路图电路图

惠普6L激光打印机电源电路图

📅 01-01 查看 →
多功能冰箱电源插座电路电路图

多功能冰箱电源插座电路

📅 01-01 查看 →
XTR101基本电源和信号连接电路电路图

XTR101基本电源和信号连接电路

📅 01-01 查看 →
RCV420基本电源和信号连接电路电路图

RCV420基本电源和信号连接电路

📅 01-01 查看 →
RCV420电源电流监视电路电路图

RCV420电源电流监视电路

📅 01-01 查看 →
INA155/156信号和电源的基本连接电路电路图

INA155/156信号和电源的基本连接电路

📅 01-01 查看 →
单电源锯齿波发生器(556)电路图

单电源锯齿波发生器(556)

📅 01-01 查看 →
能抑制电源电压变化的函数振荡器电路图

能抑制电源电压变化的函数振荡器

📅 01-01 查看 →
三菱自动扶梯控制电源与抱闸电路电路图

三菱自动扶梯控制电源与抱闸电路

📅 01-01 查看 →
迅达自动扶梯控制电源电路电路图

迅达自动扶梯控制电源电路

📅 01-01 查看 →
由LM3911单片温度控制集成电路构成的外加基准电源测温电路电路图

由LM3911单片温度控制集成电路构成的外加基准电源测温电路

📅 01-01 查看 →
由LM3911单片温度控制集成电路构成单电源测温电路电路图

由LM3911单片温度控制集成电路构成单电源测温电路

📅 01-01 查看 →
由LM3911单片温度控制集成电路构成的双电源测温电路电路图

由LM3911单片温度控制集成电路构成的双电源测温电路

📅 01-01 查看 →
由晶体管组成的声控电源插座电路图

由晶体管组成的声控电源插座

📅 01-01 查看 →
交流电源控制的圣诞彩灯电路电路图

交流电源控制的圣诞彩灯电路

📅 01-01 查看 →
霓虹灯电源电路电路图

霓虹灯电源电路

📅 01-01 查看 →
跟踪电源输入的3-7V负电压转换器电路电路图

跟踪电源输入的3-7V负电压转换器电路

📅 01-01 查看 →
用CW34603组成改变输出电源极性的电路电路图

用CW34603组成改变输出电源极性的电路

📅 01-01 查看 →
12v-230v 1千瓦逆变器电路图电路图

12v-230v 1千瓦逆变器电路图

📅 01-01 查看 →
[165V.HID.PWM]半桥驱动模块电路图

[165V.HID.PWM]半桥驱动模块

📅 01-01 查看 →
电子围栏电路图电路图

电子围栏电路图

📅 01-01 查看 →
TL494控制汽车音响逆变电源电路图

TL494控制汽车音响逆变电源

📅 01-01 查看 →
汽车12V-HID灯逆变器部分电路图

汽车12V-HID灯逆变器部分

📅 01-01 查看 →
300va ups 电脑电源电路图电路图

300va ups 电脑电源电路图

📅 01-01 查看 →
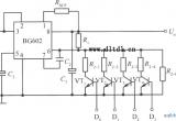
BG602组成的逻辑控制的集成稳压电源电路图

BG602组成的逻辑控制的集成稳压电源

📅 01-01 查看 →
提高W396/W496输出稳定度的应用电路(二)电路图

提高W396/W496输出稳定度的应用电路(二)

📅 01-01 查看 →
2N3055组成的简易12V直流电路图

2N3055组成的简易12V直流

📅 01-01 查看 →
CD4047及2N3055组成的逆电路图

CD4047及2N3055组成的逆

📅 01-01 查看 →
12V直流转220V交流逆变器电路图

12V直流转220V交流逆变器

📅 01-01 查看 →
300W,12V转220V逆变器电电路图

300W,12V转220V逆变器电

📅 01-01 查看 →
  • 1
  • 2
  • 3
  • 4
  • 下一页 »
  • 末页
🔐 用户登录
加载中...

加载登录表单中...

🎁 免费注册送10积分
加载中...

加载注册表单中...

🔑 找回密码
加载中...

加载表单中...

🔐 需要登录
🔒

登录后即可使用!

🎁 新用户注册立即送10积分
积分可用于下载资源,免费获取优质技术资料
🚪 退出登录
👋

确认要退出登录吗?

退出后需要重新登录才能下载资源

关于虫虫

虫虫下载站是专业的电子工程师资源分享平台,汇聚 622,478+ 优质资源,为工程师提供免费、专业的技术资料。

🌐

快速链接

  • 📦 资源下载
  • 📁 资源专辑
  • 📐 电路图库
  • 📚 电子书籍
  • 🧮 在线计算器

帮助中心

  • 📋 服务条款
  • ℹ️ 关于我们
  • ⚠️ 免责声明
  • 🗺️ 网站地图

联系我们

扫码关注我们

虫虫下载站二维码

虫虫小帮手

© 2011-2025 虫虫下载站 - 专业的电子工程师资源分享平台 | 让技术资源触手可及

京ICP备2021023401号-1