⭐ 欢迎来到虫虫下载站!
|
📦 资源下载
📁 资源专辑
ℹ️ 关于我们
⭐ 虫虫下载站
🔐
登录
📝
注册
虫虫下载站
专业电子工程师资源平台
📤 上传资源
🏠 首页
📦 资源下载
📁 资源专辑
🔧 热门软件
⭐ 精品资源
🎓 基础知识
📐 电路图
📚 电子书
🔢 在线计算器
🔍 代码搜索
🏠 首页
›
电路图
›
音响功放
›
五通道音响设备红外遥控
五通道音响设备红外遥控
📅 发布时间:
2013-08-19 19:30
👁️ 浏览:
1
🏷️ 标签:
五通道
音响设备
红外遥控
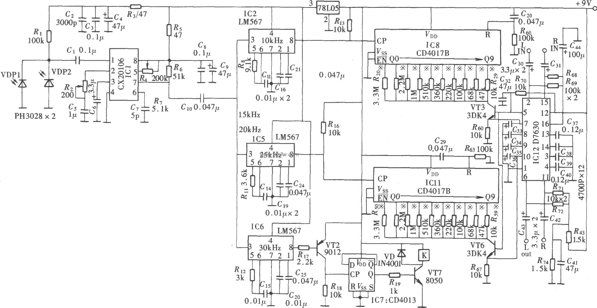
D7630是一只具有直流音量、音调、平衡控制功能的专用集成电路。它具有较强的控制功能,可作为双声道音响功放电路的多功能控制电路。在通常的使用中,它一般都采用手动控制,通过电位器调节直流电压的高低,达到控制的目的。该电路采用数/模转换电路,将数字电路输出的脉冲转换为直流电压,不仅可达到同样的控制目的,而且可实现遥控。其电路组成如图所示,由五通道红外遥控信号发射器、红外线接收放大器、通道译码器、数/模电压转换器和音量控制电路组成。
五通道红外遥控信号发射器:
五通道音响设备红外遥控器:
觉得这篇文章有帮助吗?
👍 来顶一下 (
41
)
🔐 用户登录
×
加载中...
加载登录表单中...
🎁
免费注册送10积分
×
加载中...
加载注册表单中...
🔑 找回密码
×
加载中...
加载表单中...
🔐
需要登录
×
🔒
登录后即可使用!
🎁
新用户注册立即送10积分
积分可用于下载资源,免费获取优质技术资料
🚪
退出登录
×
👋
确认要退出登录吗?
退出后需要重新登录才能下载资源