直流音调控制电路图
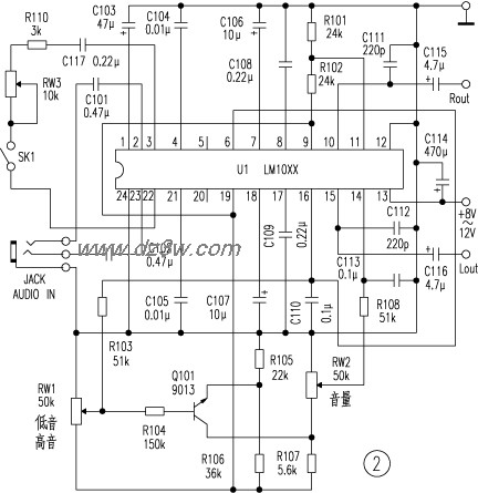
该电路的核心部分由一只直流音调控制IC、一只NPN型三极管和四个电阻共同够成。其它元件均为所用直流音调控制IC本身需要的外围元件。大多数直流音调控制IC已经自己给直流音调控制电路提供了基准电平(多为+5V),但μPC1892等直流音调控制IC例外,需由外部为其提供+5V直流基准电平。图1为此功能电路的原理图,图2为应用实例。
元件参数设定:
当高低音调节电位器RW1处于不提升状况时,BG1应截止,此时对音量调节无影响。当高低音调节电位器RW1从开始进入提升状况,最后达到最大提升量+12dB之时,BG1由截止转入线性工作区,之后再进一步进入完全导通状态,从而导致加在音量调节电位器上的直流电平降低使直流音调控制IC的输出信号幅度相应地衰减12dB。因此,电路中的R3、R4、R5三只电阻值与所选用的直流音调控制IC内部参数有关。例如所选用的直流音调控制IC为美国NS公司生产的LM1036或LM1046型号之时,其阻值分别选R3=22kΩ、R4=36kΩ、R5=5.6kΩ。


直流音调控制电路图
觉得这篇文章有帮助吗?