Accuphase两款合并式放大器特点(附电路)
与金嗓子不少型号的合并式放大器一样,E-408放大器也设置了可以外加输入插件的插件盒(见图8)。爱好者可以根据自己的需要选择不同的输入插件来扩展放大器的功能和用途。例如,此放大器内并不具有播放LP模拟唱片的均衡放大器,但可以选择专门设计的插件(AD-10型),插入机后的插件盒就能够播放LP模拟唱片。AD-10型插件具备MM(动磁式)唱头和MC(动圈式)唱头输入端子;其中MM输入端子具有36dB的增益,输入阻抗为47kΩ,匹配一般的动磁式唱头均较适宜。MC输入接口的增益为62dB,输入阻抗为10Ω、30Ω和100Ω可选择,能够匹配多种优质动圈式唱头。金嗓子还设计了DAC-10型和LINE-10型输入插件。DAC-10为D/A转换器插件,可以输入数码音频信号并将其转换为模拟音频信号后供放大器放音。DAC-10插件内采用多重Alpha-Sigma型数码一模拟转换器,其取样频率为32kHz~96kHz,可以通过光纤或同轴输入端子输入CD、DVD、MD或DAT的数码信号,进行高精度的数码一模拟转换后放音。这一功能也许对国内的音响爱好者较为有用,目前国内的DVD机售价已很低,但用来放送CD音乐节目时的声音大多不太理想,不能满足音响爱好者对音质的要求。如果将DVD机的数码输出信号连接到DAC-10插件后,利用DAC-10插件内的高精度优质转换器就应该能得到较好的放音音质。此机的LINE-10插件是一个外加的线路输入插件,可以输入CD机的模拟音频,或是调谐器、DAT等的模拟音频信号后放送出来。这种插件相当于对放大器音频输入接口的扩展。

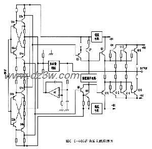
图6电路中,由A1及其外围元件组成的“输入端直流伺服”电路,也算是金嗓子在功放电路中的一项“经典设计”,目前已被很多厂家的放大器产品借鉴或应用。这种输出端直流电位伺服电路的输入端连接到大电路的输出端,经低通滤波电路滤除音频信号后,就可以检测到输出端的直流电位变化情况,通过A1放大并输出控制电压到功放电路的前端,校正输出端的电位,使其始终保持正常。
E-408放大器的信号输入接口的设置也较为考究。除了一般的不平衡音频输入接口外,还设置有两组平衡输入接口,包括一组CD平衡输入接口和一组路平衡输入接口。这种平衡输入接口可以连接具有平衡输出的信号源设备,如一些高级的CD机或其他音源设备。采用平衡传输方式能够消除某些“共模”态干扰,提高信噪比和改善播放音质。
2、E-307放大器的电路特点 图9为E-307的功放电路原理图。从图上看来,这一款放大器的功放电路可以说是金嗓子的“标准”设计,也是一种相当成熟的优秀电路,目前已被国外很多厂家的放大器产品借鉴或采用。此放大器的输入电路采用全对称交叉耦合组态(此电路为简化电路,实际电路中有的还要加入恒定电流源等电路),具有动态范围宽、线性良好、噪声极低等特点。Q3和Q4的发射极上还加入了大环路负反馈和输出端伺服电路的控制信号,以便改善整个放大电路的线性和稳定放大器的工作状态。此电路也和E-408的功放电路一样,采用了金嗓子的“电流负反馈”方式,以便改善反馈信号的相位特性,最终得到较为纯净的音乐信号输出。

此机功放电路的输出级采用了两对音响专用大功率输出管并联输出,据介绍这种大功率输出管是采用特别设计的“多发射极”结构,能够提供瞬时的大电流输出,驱动能力甚佳,线性也较好,可以保证足够的输出动态和力度。
E-307放大器电路的很多方面都与E-408相似,均是采用了金嗓子的成熟技术。例如此机的前级音调控制电路也采用金嗓子的“相加型有源滤波器音调控制”电路,音源选择电路也是采用的“逻辑控制继电器”型设计;输入接口的设置也包括两组平衡输入接口(CD输入和线路输入),以及采用“插件盒”和外加多种插件的方式来扩展输入信号的模式。此机也可在机后的插件盒上插入DAC-10数码信号输入插件、AD-10模拟唱机输入插件和LINE-10线路输入插件。
值得注意的是,金嗓子的这两款合并式放大器均设计在AB类状态工作,但实际试听后感觉其放音音质柔和、温暖、醇厚,颇有A类放大器的音质特征。这也反映出金嗓子放大器在设计和制作方面的深厚“功底”。这也许会给我们的爱好者一点启示,让我们思考一下是不是谈到HI-FI就必须选择(自制或购买)A类放大器! 图3、图4分别是E-408和E-307的内部结构布局照片。从照片上可以看出,金嗓子的这两款放大器是将后级放大器设计成每个声道独立的组件(见图3、图4的上部),每个功放以散热器为依托,每声道的大功率输出管(E-307为两个输出管,E-408为三个输出管)紧贴散热器安装,后级电路板也就设计成与散热器组合在一起的形式。这样的设计不仅能让后级的大电流传输路径更加简捷,还能够方便整机的安装和调试。整个后级放大器处于整机的中央部位,位于电源变压器的两边,并与四周的其余电路用金属板分隔开。这种布局不仅可以将后级大功率电路与前级电路、音源选择和外加输入插件盒等部分完全分开,还可以使整机的重量分布更均衡,更有利于减少机箱的震动和降低干扰。在电路设计上,为了将前级放大器和后级功放电路完全分开,避免两者的相互干扰和影响,其电源供电电路也是各自独立的,并为前级放大器设置了性能很好的稳压电路。即使功放电路在大信号、大电流状态工作时,前级放大器仍然能够得到稳定的电源供给,而且电源里的各种干扰脉冲也被滤除。


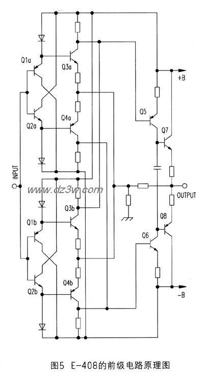
二、E-408和E-307的电路特点简析 1、E-408放大器的电路特点 金嗓子的放大器电路也有其独特之处,如采用MCS多重输入电路并联相加的拓扑技术,以及采用电流反馈放大电路;前级的音调控制电路采用有源滤波电路等等。图5是E-408放大器的前级电路原理图,图6是E-408功放电路原理图。


金嗓子的功放电路大多采用电流反馈放大器电路,故这里简要介绍这种电流反馈放大器的基本原理。一般的功放电路多采用电压反馈方式来补偿放大电路的线性,并改进功放输出的动态内阻和阻尼特性。由于电压反馈电路中不会避免会出现相位偏移,影响反馈信号中某些成分的输出波形,也就会影响输出音频信号的纯净度。金嗓子放大器中采用的这种电流反馈电路中,输入音频电压信号经输入缓冲器处理后,就可以转换成为音频电流信号,送入到一个电流加法器;在这个电流加法器中还输入经反馈网络送来的末级电流输出电路的音频电流。由于这些电路都工作在很低阻抗的状态,故不易产生相位失真,能够保持原始信号的相位精确度。电流加法器输出的音频电流在经一个I-V转换器后,转换成为音频电压信号去驱动输出放大器。在一般的功放电路中,大环路反馈往往因为信号相移而产生失真,这种电流反馈电路就能够较好地解决这一问题而使放大电路的保真度得到提高。
图5和图6电路中的输入级就是采用了金嗓子独特的MCS多重输入电路并联相加拓扑电路,这种输入级电路是用两个相同组态的输入放大器(图中的Q1a、Q2a、Q3a和Q4a组成的全对称交叉耦合放大器电路,与Q1b、Q2b、Q3b和Q4b组成的另一个相同组态放大器)并联起来的,这样就能够改进输入级的信噪比和提高保真度,改善整机的放音音质。据测试,这种采用上述两个输入电路并联的MCS输入电路可以提高信噪比约3dB。金嗓子的前级放大器常常采用有源滤波器电路来作音调控制,这种有源滤波器电路的原理过去已介绍过。此放大器采用的有源滤波器音调控制电路称为“相加型有源滤波音调控制”电路。实际上这是将一个高通滤波器和一个低通滤波器分别接入一个反相放大器的反馈环路上,而调节音调提升和衰减的电位器是具有中心抽头的特制电位器。当音调控制电位器处于平坦特性位置时,电位器动臂端正好接地,此时相当于高通和低通滤波器均未接入反馈环路,不影响原电路的平坦特性。但需要提升或衰减高低音时,滤波器接入到反馈环路中,可以按需要改变电路的频率特性。金嗓子的这种音调控制电路具有相当精确的提升和衰减特性,而且不会影响音频信号的纯净度。
据介绍,E-408放大器的音源选择电路是采用的“逻辑控制继电器”型设计。从图7照片上可以看出,这种音源选择电路的继电器是直接装在音频输入接口电路板上的,这样就能够让输入的音源信号就近经继电器选择后再输入到前级放大器电路。控制音源选择继电器的音源选择开关是装在前面板左边,这样就便于使用者的操作控制。E-408放大器的这种采用继电器进行转换的设计可以采用直流电控制继电器的工作,引入到音频输入电路板上的直流控制信号不会对音源输入电路形成干扰。如果直接用多挡位转换开关来转换音源信号,必然要将音源输入信号用长传输线接到前面板,经开关选择后再输入到前级放大电路,这样就极容易引入干扰和噪声。如果像一般AV放大器那样采用电子开关来转换音源输入信号,显然也会因电子开关的动态、噪声或非线性的影响而造成信号的失真和引入噪声。

三、E-408和E-307放大器的用料探究 金嗓子的放大器产品在用料方面一贯相当考究,当然这也是和它的高昂售价相称的。不少音响爱好者都知道,几年前曾介绍过原有型号的金嗓子放大器中,所采用的音量电位器是特别制作的,这种采用金属铸造外壳的电位器外形比一般电位器大得多,所用膜片和电刷也是特别制作的,结构一般电位器也大不相同,是采用固定电刷、转动膜片的设计,这是为了保证其工作的稳定性。据称金嗓子的电位器可以保证在放大器正常工作的寿命期间,绝不会出现接触不良或出现转动噪声。不过这一个电位器的价格达人民币一千多元,相当于在国人买一台放大器的价钱。目前新型的金嗓子放大器采用的新设计的马达控制电位器(可供遥控音量,看起来虽然不如老型号的体积大,其结构也和一般“通用型”电位器差不多,但据介绍也是特别制作的,其可靠性很高,也能保证在放大器中可靠地工作而不会出现接触不良或转动噪声。
前面已谈到,这两款放大器的功率输出管是采用特制的“多发射极”大电流音响专用大功率管。这种印有ACCuphase标志的功率输出管,估计是金嗓子公司找半导体制造商定制的(OEM),其可靠性很高,放大的线性较好。其电源电路中也是采用功率富裕量很大的全屏蔽优质变压器,以及特制的大容量电源滤波电容。其中E-307放大器采用的是500VA普通结构变压器,滤波电容为两个22000&mICro;F优质电容;E-408放大器采用的是600VA优质环形变压器,滤波电容为两个33000µF的优质电容。放大器采用的音箱接线柱是用高纯度无氧铜制造的大型接线柱,并在接触面镀金,保证连接时箱时能够牢固地接好音箱线;放大器设置了A、B两组音箱接线柱,可供采取“双线连接”方式连接音箱放音。此外,这两款放大器的机箱、结构件、散热器、电源线、开关等部件和元件都是采用质量较好、制作较考究的。四、E-408和E-307的主要技术指标额定输出功率:(两声道同时驱动,在20Hz~20kHz范围内) E-408:260W×2(4Ω),220W×2(6Ω),180W×2(8Ω); E-307:140W×2(4Ω),120W×2(6Ω),100W×2(8Ω);总谐波失真:(两声道同时驱动,在20Hz~20kHz范围内,负载为4Ω~16Ω) E-408:优于0.02%; E-307:优于0.01%;互调失真:E-408和E-307:均优于0.01%;频率响应:高电平输入,连续平均输出功率时, E-408和E-307:20Hz~20kHz,+0dB,-0.2dB;高电平输入,输出功率为1W时, E-408和E-307:2Hz~150kHz,+0dB,-3dB;阻尼系数:负载8Ω,50Hz, E-408:120; E-307:100;信噪比:高电平输入,A计权, E-408:113dB,E-307:104dB; 平衡输入,A计权, E-408:92dB;E-307:88dB;后级放大器,A计权, E-408:129dB,E-307:122dB;前级输出:负载为50Ω时, E-408:1.58V;E-307:1.13V;整机增益:从高电平输入端至功放输出, E-408和E-307:20dB;后级放大器增益, E-408和E-307:28dB;整机体积、重量: E-408为475mm×180mm×422.7mm,重量为23.4kg; E-307为475mm×170mm×425mm,重量为21.6kg。
Accuphase两款合并式放大
觉得这篇文章有帮助吗?