自制家庭影院多通道放大器
一、功率放大电路的确定 业余制作功率放大器在电路的选择上一般考虑两个因素,一是应有较好性能(包括频响、失真度等),另一个是电路应简洁,这样容易制作,调试也简单。高级音频功率放大器几乎都采用分立元件电路,由于电路复杂,加之对元器件质量要求高,业余制作难以达到理想的效果。实践证明,集成电路、分立元件混合形式的功率放大电路所用元器件少,既有制作的方便性,又有较高的性能,非常适合于业余制作。图1是一款典型的集成电路、分立元件混合型功率放大器电路,它采用NEC公司的专用集成电路μPC1342,输入级、中间级以及推动级集成在一起,不但大大简化外围电路,而且避免选用分立元件因质量和一致性不好,使性能受到影响。业余利用μPC1342制作的多通道放大器在8Ω负载上可获得100W功率,谐波失真小于0.05%,音质和听感相当不错,完全能满足家庭影院前方主声道和中置声道的要求。

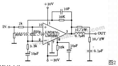
集成电路功率放大器性能好,制作容易,但功率较小,适合于作为环绕声放大器。图2给出一款集成电路功率放大电路。其输出功率为50W(8Ω),谐波失真0.03%。

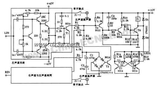
二、扬声器保护电路 目前几乎所有的功放电路(特别是大功率的功放电路)都采用 OCL(或BTL)电路,即采用直接耦合输出级(其输出端无耦合电容)。由于 OCL功放电路的输出端与功放电路直接相连,一旦功放电路出现中点直流偏位,直流电压直接加至音箱,低音扬声器则可能被烧毁。扬声器保护电路在功放出现直流偏位时立即断开音箱,达到保护的目的。AV放大器的扬声器保护电路一般还具有开机静噪和输出级过流保护功能,如图3所示:
(1) 中点保护功能 当放大器正常工作时,其输出只有交流信号而无明显的直流分量,桥式检测器不工作,保护电路不启动,继电器吸合。当某声道出现正、负直流电压时,被R4(R5)及C1、C2低通滤波后加至桥式检测器的A点与地端,若直流偏位绝对值大于2V,T3获得正偏而导通,T4、T5导通,T6截止,继电器释放,D2截止,T7、T8组成的单稳态电路工作,LED1闪烁,电路处于保护状态。
(2)开机静噪功能 接通电源瞬间,C3近似于短路,+15V经 R7、 R9、T5的b-e、R13为 T5提供正向基极偏流,T5迅速导通,T6截止,继电器不吸合,扬声器未接入放大器,避免了开机时浪涌电流对扬声器的冲击。延时数秒后, C3两端已建立了较高的上正下负直流电压,此时 C3等效于开路,T5失去偏流转为截止。+15电源经 R10、Rll和 R12分压为T6提供偏流,T6转为导通, 继电器吸合,扬声器与放大器连通进入正常工作。与此同时,因 T6导通,其集电极电位降低,+15V经LEDl、 R17、 D2、 T6的c-e、 R13构成回路,LED1点亮,由 T7、T8及其外围元件构成的多谐振荡器停振。
(3) 功放输出过流保护功能 当功放输出电流超过一定限度(由输出管发射极电阻及T1基极回路电阻参数决定)时,T1导通,引起T4、T5导通,T6截止,继电器释放,负载(音箱)被断开,使过流不至持续持续下去。
三、输出级的偏置电路 为了减小交越失真,功放输出必须设置偏置电路。
常用的偏置电路如图4所示:
T1是偏置管,根据VBC=Vbe≈0.6V,T1的基极电流约为0,可得下式
显然,VAC可以通过RW调节,若RW使用多圈电位器,则可使VAC随RW缓慢变化,实现高精度调节。由于输出管在开始导通时集电极电流随Vbe急剧变化,VAC以较高精度缓变,可以很方便地控制偏置电流的大小,给偏置调节带来方便。
功放的偏置三极管一般粘贴在散热板上,当功放管偏置过高时,散热板温度升高,偏置三极管的Vbe下降,引起偏置下降,起到稳定偏置的作用。
自制家庭影院多通道放大
觉得这篇文章有帮助吗?