惠威惠威“TEMPUS”套件图纸
为了让喜爱惠威HiVi的超级音响发烧友完全体验德国严谨电声设计的音乐风格,惠威HiVi在这里全部采用工程设计图纸和德国 KLANG+TON Test Magazin杂志发表的电声测量曲线,取消所有原广告评论语言,方便超级音响发烧友们自我创意,充分享受自制音箱的乐趣,欢迎超级音响发烧友们将自制的“Tempus”音箱和任何体积相近的国际名牌音箱对比,您会有一个大大的惊喜。
惠威“Tempus”套件包括:惠威子弹头高音TN28扬声器2只, F6防磁大功率低音扬声器2只,配套分频器2套, 导相管2套,长度为42mm, 接线柱2对,喇叭线,缓冲垫,脚垫,螺钉以及制作资料等 频率响应
阻抗曲线
失真度
瀑布图
正视图
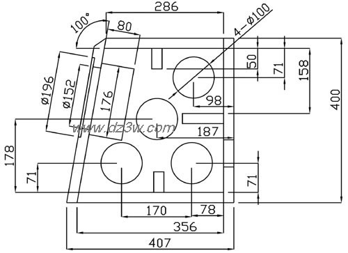
剖视图
组装图
分频器
成品图
惠威惠威“TEMPUS”套件
觉得这篇文章有帮助吗?