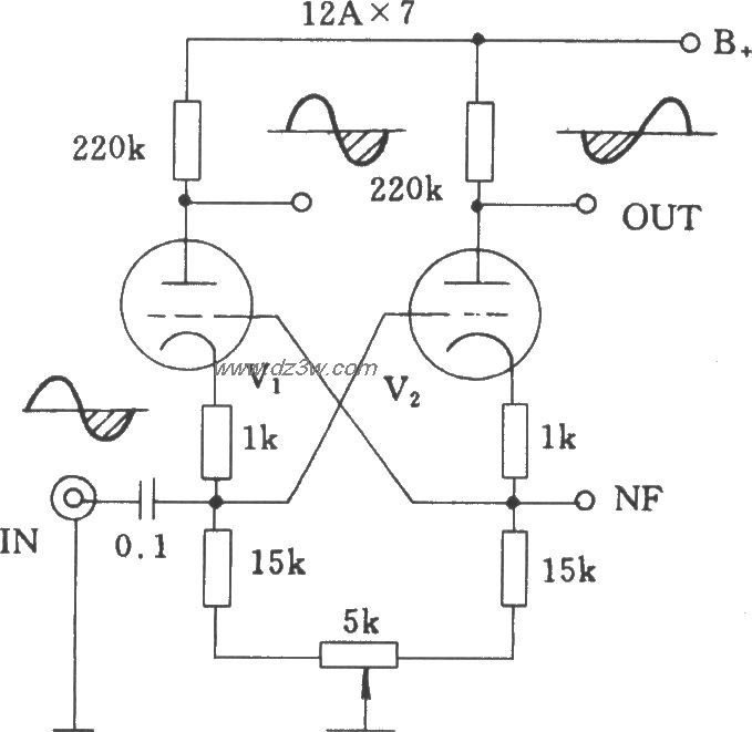
电子管差分式倒相电路

📅 发布时间:2013-08-19 22:30 👁️ 浏览:1 🏷️ 标签: 电子管 差分式 倒相电路

电子管差分式倒相电路
电子管差分式共阴倒相电路:
电子管差分式共栅倒相电路:

 


觉得这篇文章有帮助吗?