电子管固定栅负压方式功

📅 发布时间:2013-08-19 23:00 👁️ 浏览:0 🏷️ 标签: 电子管 方式 负压

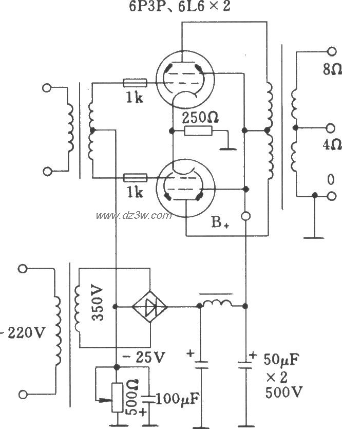
电子管固定栅负压方式功放电路
电子管固定栅独立负压电源供给功放电路:
电子管固定栅通过电源高压绕组中分压取出负压方式功放电路:

 


觉得这篇文章有帮助吗?