AN7415/7415S FM立体声

📅 发布时间:2013-08-20 00:00 👁️ 浏览:2 🏷️ 标签: 7415S 7415 AN 立体声

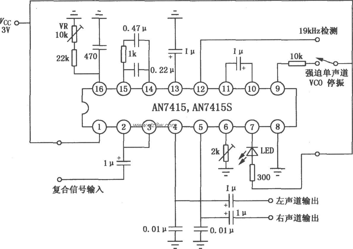
AN7415/7415S FM立体声解码电路
AN7415/7415S内部框图:
AN7415/7415S的典型应用电路:

 


觉得这篇文章有帮助吗?