电子管典型自偏压方式功

📅 发布时间:2013-08-20 01:30 👁️ 浏览:27 🏷️ 标签: 电子管 典型 方式 自偏压

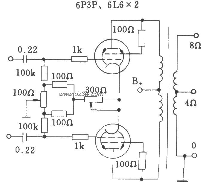
电子管典型自偏压方式功放级电路
电子管典型免调试自偏压方式功放级电路:
电子管典型半调试自偏压方式功放级电路:

 


觉得这篇文章有帮助吗?