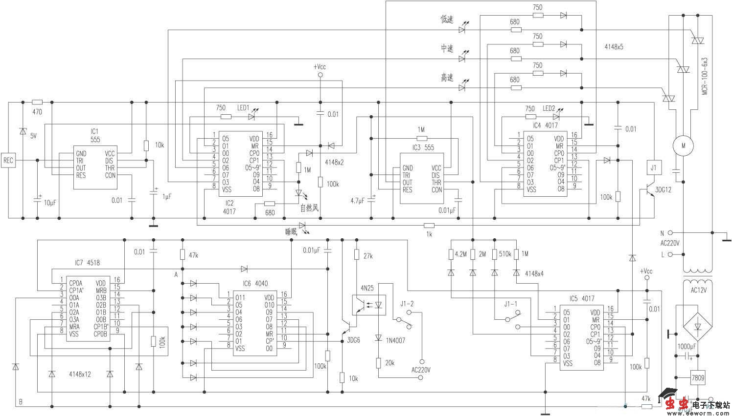
一台按键式三级风速可调的老式台扇,笔者对其进行了改装,使之具有了三级风速遥控可调以及自然风、睡眠定时等遥控功能,控制电路采用全硬件电路,电路如图所示。本控制电路原理虽然极易明了,但与由单片机控制的、功能相仿的电路相比,显然复杂得多。由此可见,对于尚不熟悉单片机的初学者来说,参照本电路改装老式风扇可极易明了其控制过程。另一方面,相比之下也说明:要想使较简单的硬件电路具有较多的控制功能,最佳选择是采用单片机。因此,对单片机尚陌生的初学者有必要尽快步入单片机世界的殿堂。本控制电路介绍如下。
一、遥控接收电路。 由红外接收头REC与IC1(555)组成,平时REC输出端为高电平,用家电遥控器来控制,每按一次遥控按键,REC输出一次低电平。IC1构成单稳电路,每按一次遥控器按键,IC1③脚输出一个正脉冲,加到IC2(4017)的脚。
二、正常风控制。 上电时,IC2的上电清零电路使Q0端为高电平,与之相接的LED1点亮。第1~3次按遥控器,IC2的Q1~Q3依次为高电平,分别控制风扇以高速、中速、低速运转。
三、自然风控制。 第4次按遥控器,IC2的Q4为高电平,使IC3(555)构成的多谐振荡器开始振荡,IC3③脚输出的第1~5个脉冲使IC4(4017)的Q1~Q5依次为高平,第6个脉冲使IC4复位,Q0为高电平,如此循环,风扇以高速一中速—低速—惯性转动—停止的方式循环运转,送出自然风。
四、睡眠风控制。 第5次按遥控器,IC2的Q5端输出高电平,3DG12导通,J1动作,J1-1闭合,IC3振荡器在IC5(4017)的Q0高电平控制下振荡,风扇仍按自然风模式运转。J1-2闭合,光耦4N25的发光二极管在市电的正半周导通,负半周截止,IC6(4040)的CP端有50Hz的脉冲输入,IC6是12位二进制计数器,计数了3000个脉冲(时间60秒),A点为高电平,此高电平一方面使IC6复位,重新开始计数,另一方面加到IC7的CPOA端。IC7(4518)是双二—十进制计数器,这里级联成二位十进制计数器。经过45分钟,IC7的CPOA端输入了45个脉冲,这时表示个位的Q3A、Q2A、Q1A、Q0A的状态是0101(十进数5),表示十位的Q3B、Q2B、Q1B、Q0B的状态是0100(十进数4),B点出现高电平,此高电平一面使IC7复位,另一方面送到IC5的CP0端,IC5的Q1为高电平。经过第2个、第3个45分钟,IC5的Q2、Q3依次为高电平。由于IC5的Q0~Q3端的电阻阻值不同,使IC3的振荡频率不同,故“睡眠”状态时,各个时段产生的睡眠风也不同。第4个45分钟到来时,IC5的Q4输出高电平,此高电平加到IC5的禁止端脚,使Q4保持高电平不变,同时也加到IC4的MR端,使IC4复位,风扇停转。
第6次按遥控器,IC2的Q0端为高电平。
(编者注:使用时,本电路中AC220V输入接地端应注意接在市电的零线端。)
