遥控调光调速接收器电路原理图

📅 发布时间:2013-09-28 09:55 👁️ 浏览:3 🏷️ 标签: 遥控 调光 接收器 电路原理图

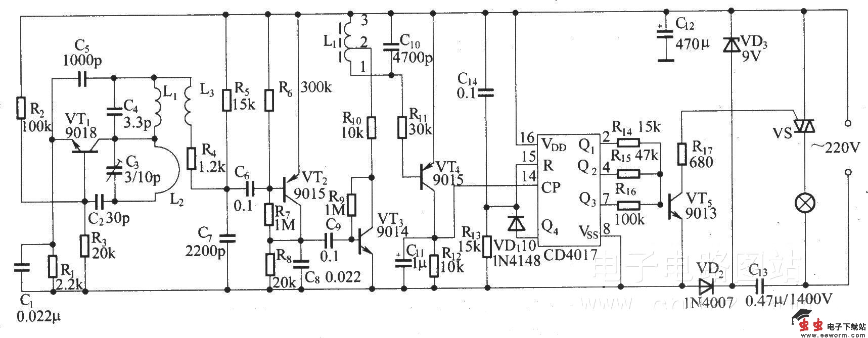
接收器由超再生接收电路,选频放大器,计数器,输出电路等组成.晶体管VT1等元件构成了超再生检波器.发射器发送的信号由接收电路接收检波后输出音频信号.音频信号经过由VT2等构成的低频放大器放大,放大后的信号送入由VT3,L4,C10组成的选频放大电路以提高电路的抗干扰能力.选频电路由L4,C10组成,谐振频率为15kHz.

觉得这篇文章有帮助吗?